-
1、一个质量为的带电微粒,仅在电场力和重力作用下,以大小为的加速度沿竖直方向加速下降高度,则在该过程中微粒的( )A、重力势能减少了 B、动能增加了 C、电势能减少了 D、机械能减少了
-
2、如图所示,用某种金属材料制成长为a、宽为b、厚为c的长方体,已知a = 2b = 4c,现将该长方体以不同方式与某一定值电阻R串联后接到一恒压电源上,当长方体以AB端接入电路时,电流为1.0 A,长方体以CD端接入电路时,电流为4.0 A。则长方体用EF端接入电路时,电流为( )
A、1.5 A B、2.0 A C、2.5 A D、3 A -
3、如图所示为一种电容式传感器,电路可将声音信号转化为电信号。电路中a、b构成一个电容器,b是固定不动的金属板,a是镀有金属层的振动膜,能在声波作用下发生振动。若声源S发出频率恒定的声波使a振动,则在a振动的过程中( )
A、a、b两极所带电荷量不变 B、a、b两极间的电压不变 C、电路中电流的方向不变 D、G表上信号电流的频率不变 -
4、如图所示,两根绝缘细线的上端都系在水平天花板上,另一端分别连着两个带电小球P、Q,两小球静止时处于同一水平高度,球质量为 , 两细线与天花板间的夹角分别为 , , 重力加速度为。下列说法正确的是( )
A、两个小球带同号电荷 B、两个小球具有相同的质量 C、两细线对小球的拉力大小相等 D、细线对球的拉力小于细线对球的拉力 -
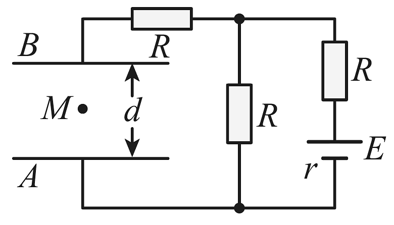
5、如图所示,由电阻、平行板电容器、二极管与电动机组成的电路接到的恒压电源上,电动机恰好正常工作。其中电阻 , 平行板电容器内的一带电液滴恰能处于静止状态,电动机的额定电压 , 线圈电阻。下列说法正确的是( )
A、正常工作时,电动机上的电流为 B、正常工作时,电动机的发热功率为 C、若电动机因故障被卡住,电阻上的电流将减小 D、若电动机因故障被卡住,带电液滴将加速向下运动 -
6、如图所示,水平轨道与竖直面内的半圆形轨道在点相切,半圆形轨道光滑、半径为。一个质量为的物块将弹簧压缩至点,此时弹簧的弹性势能为。物块由静止释放脱离弹簧后沿轨道运动,恰能通过最高点。空气阻力不计,则( )
A、物块到达点时速度为0 B、物块从到克服摩擦力做功 C、物块经过半圆形轨道上的点时对轨道的压力为 D、若物块刚好能回到点,则物体与水平轨道间的动摩擦因数为0.5 -
7、关于电场强度的三个公式、、 , 下列说法正确的是( )A、由可知,电场中某点的电场强度与成正比,与成反比 B、由可知,点电荷周围某点的电场强度与成正比,与成反比 C、由可知,某匀强电场的电场强度与成正比,与成反比 D、平行板电容器两极板间的电场强度只能用公式求,其它两个都不适用
-
8、静电除尘器的集尘板周围电场线分布如图所示,、、、为电场中的四点,下列说法正确的是( )
A、点场强最大、电势最高 B、点场强最大、电势最高 C、点场强最小、电势最低 D、点场强最小、电势最低 -
9、两个相距为的点电荷,它们之间的静电力为。若二者电荷量均加倍,将它们的距离变为 , 那么它们之间静电力的大小将变为( )A、 B、 C、 D、
-
10、下列家用电器工作时,把电能主要转化为内能的是( )A、
电饭煲
B、
电风扇
C、
电吹风
D、
吸尘器
-
11、如图所示,飞机机翼上安装有一排很细的针,这些细针的功能是( )
A、装饰 B、防雷击 C、释放静电 D、发射电磁波 -
12、俗话说:鸡蛋碰石头,自不量力。如图所示,拿鸡蛋与石头相碰,鸡蛋碎了。若鸡蛋对石头的力记为 , 石头对鸡蛋的力记为 , 则( )
A、 B、和大小相等 C、先于产生 D、后于产生 -
13、下列物理量全是矢量的一组是( )A、电荷量、电势 B、电势、电场强度 C、电场强度、电场力 D、电场力、电容
-
14、如图所示,质量为M的玩具飞机Q吊着一质量为M的物块P(可视为质点),以大小为功的速度共同匀速竖直上升.某时刻P、Q间的轻质细线断裂,空气阻力不计,玩具飞机的动力不变,重力加速度为g,求从细线断裂到P的速度为零的过程中:
(1)Q所受合力的冲量大小I;
(2)Q上升的高度h。

-
15、某同学查阅资料得知:若弹簧劲度系数为 , 弹性形变为 , 则其弹性势能。据此设计了如图甲所示的实验装置来验证系统的机械能守恒:铁架台上竖直悬挂一个轻弹簧,弹簧下端连接一质量为的小钢球,小钢球平衡时的位置记为 , 在处安装一光电计时器,正下方桌面设置位移传感器。现把小钢球竖直托高到弹簧刚好处于原长的位置A点,由静止释放,光电计时器测出第一次下落过程中小钢球挡光时间 , 同时由位移传感器在计算机上得到小钢球相对点的位移一时间图像如图乙所示,从图像中可读出的数值。用刻度尺测得小钢球的直径为 , 远小于之间的距离,重力加速度为 , 弹簧始终处于弹性限度内且不能对光电门造成有效挡光。问:
(1)、弹簧的劲度系数为。(2)、小钢球第一次通过点的速度为。(3)、小钢球第一次由A到的过程中,系统势能(包括重力势能和弹性势能)的减小量 , 动能的增加量 , 如果在误差许可范围内,有成立,就可以认为系统机械能守恒。(用前文中的字母符号表达) -
16、在“探究加速度与力、质量的关系”实验中,(1)、①图1为通过位移之比测量加速度之比。抬起黑板擦,两小车同时开始运动,按下黑板擦,两小车同时停下来。用刻度尺测出两小车移动的位移x1、x2 , 它们的位移与加速度成(选填“正比”或“反比”)。

②在小车相同的情况下,通过增减小盘中的重物改变拉力;在盘中重物相同的情况下,通过增减小车中的重物改变小车的质量。则在实验中,(选填“需要”或“不需要”)补偿阻力的影响。
(2)、用如图2所示的装置进行实验:①关于补偿小车阻力,下列说法正确的是。

A.小车上不需要固定纸带
B.不需要考虑细线与定滑轮间的摩擦
C.必须反复调整木板倾斜度,直至小车能静止在木板上
D.在小车上增减钩码并进行多次实验,不需要重新补偿阻力
②在规范的实验操作下,打出的一条纸带如图3所示,相邻两计数点间均有4个点未画出,已知电源频率为50Hz,小车的加速度m/s2 , 打计数点0时,小车的速度大小为m/s。(结果保留2位有效数字)

-
17、如图甲所示,工人沿倾角为α=10°的斜坡向上推动平板车,将一质量为10kg的货物运送到斜坡上某处,货物与小车之间始终没有发生相对滑动。若平板车板面始终水平,则货物的动能随位移x的变化图像如乙所示,已知:sin10°=0.17,cos10°=0.98,g取 , 则( )
A、货物在0~2m的过程中,重力势能增加34J B、货物在0~2m的过程中,克服摩擦力做功 C、货物在2~4m的过程中,用时为 D、货物在2~4m的过程中,机械能一直增大 -
18、如图所示,一质量为可视为质点的小物块自斜面上点由静止开始下滑,斜面的倾角为 , 、间距离为 , 小物块经运动到点后通过一小段光滑的衔接弧面恰好同速率滑上与地面等高的传送带,传送带以的恒定速率顺时针运行,传送带、间距离为 , 小物块与传送带间的动摩擦因数为0.2,不计衔接弧面的运动时间和空气阻力。取 , , , 下列说法正确的是( )
A、小物块在传带上、之间的运动时间为 B、小物块与斜面间的动摩擦因数为0.5 C、小物块在传送带上运动时,因摩擦产生的热量为 D、整个过程中传送带电动机多消耗的电能为 -
19、水平地面上质量为的物体,在大小为的水平拉力的作用下做匀速直线运动,从位置处拉力逐渐减小,力随位移变化规律如图所示,当时拉力减为零,物体也恰好停下,取 , 下列结论正确的是( )
A、物体与水平面间的动摩擦因数为0.5 B、合外力对物体所做的功为 C、物体在减速阶段所受合外力的冲量为 D、物体匀速运动时的速度为 -
20、如图所示,轻质弹簧的左端固定,并处于自然状态。小物块的质量为m,从A点向左沿水平地面运动,压缩弹簧后被弹回,运动到A点恰好静止。物块向左运动的最大距离为s,与地面间的动摩擦因数为μ,重力加速度为g,弹簧未超出弹性限度。在上述过程中( )
A、弹簧的最大弹力为μmg B、弹簧的最大弹性势能为μmgs C、物块克服摩擦力做的功大于2μmgs D、物块在A点的初速度为