相关试卷
- 2026年高考物理二轮复习素养培优4动量观点在电磁感应中综合应用专项训练
- 2026年高考物理二轮复习素养培优3带电粒子在交变场与三维空间运动对应练习
- 2026年高考物理二轮复习素养培优2带电粒子在复合场中运动专项训练
- 2026年高考物理二轮复习素养培优1利用三大观点解决“传送带”、“板块”模型专项训练
- 2026年高考物理二轮复习命题热点情境8交通出行类专项训练
- 2026届河北省沧州市沧县中学高三一模物理试题
- 2026年高考物理二轮复习命题热点情境7娱乐活动类专项训练
- 2026年高考物理二轮复习命题热点情境6自然现象类专项训练
- 2026年高考物理二轮复习命题热点情境5传统文化类情境专项训练
- 2026年高考物理二轮复习命题热点情境4体育类情境专项训练
-
1、经过十多年的不懈努力与探索,法拉第终于在1831年发现了电磁感应现象,为人类进入电气化时代奠定了基础。如图是法拉第研究电磁感应现象所做的一个实验。下列说法正确的是( )
A、导线EF应沿东西方向水平放置 B、闭合开关的瞬间,小磁针偏转至南北方向 C、断开开关的瞬间,小磁针偏转至东西方向 D、开关闭合不动,线圈中也会产生电磁感应现象 -
2、某电场沿x轴的电场强度E分布如图中曲线所示,已知曲线关于坐标原点О对称,x轴上a、b两点与О点的距离相等。以下说法正确的是( )
A、a点的电场强度大于b点的电场强度 B、a、b两点的电场强度相同 C、a点的电势大于b点的电势 D、a、b两点的电势相同 -
3、如图,在无限大光滑绝缘水平面内的一条直线上,三个带电小球(不计小球大小)均处于静止平衡状态,它们所带的电荷量依次为、、 , 且与间的距离大于与间的距离。以下说法中正确的是( )
A、q1与q3的电性一定相反 B、带电荷量满足 C、若将带电荷量加倍,三个小球仍能平衡 D、若将带电荷量加倍,三个小球组成的系统总动量仍为零 -
4、我国自主研发的第5代移动通信技术(简称5G)处于全球领先水平。5G通信网络使用电磁波的频率比4G通信网络使用电磁波的频率高,相同时间内传递的信息量更大。与4G相比,5G使用的电磁波( )A、在空气中的传播速度大 B、在空气中的波长小 C、能量子的能量小 D、在空气中的周期长
-
5、小梅同学发现家里的电热毯,吊扇和抽油烟机上均印有“220V 120W”的字样。若这三个用电器均接在实际电压为220V的电源插座上工作,则这三个用电器( )A、热功率相同 B、电功率相同 C、输入功率不同 D、实际功率不同
-
6、如图所示,一长度为L、质量为M的箱子倒扣在水平地面上,箱子与地面之间的摩擦阻力可以忽略不计,初始时刻,箱子静止不动。将一质量为m(可视作质点)的小物块紧靠在箱子的左端,小物块的初速度大小为v0 , 方向水平向右,物块与地面间的动摩擦因数为μ,重力加速度为g。物块与箱子之间的碰撞均为弹性碰撞,求:
(1)、求物块与箱子发生第一次碰撞前的速度大小以及碰撞后物块、箱子的速度大小。(2)、若物块与箱子的质量相等,物块的初速度大小为 , 求物块运动的总时间、箱子运动的总位移大小以及物块最终静止时距离箱子左端的距离大小。(3)、若物块与箱子的质量相等,为使物块最终静止时相对于箱子位于箱子中间位置,则物块的初速度大小v0需满足什么条件。 -
7、如图所示,在工轴原点О位置有一粒子源,可以释放出初速度为零的带正电的粒子,粒子的质量为m,电荷量为q。释放后的粒子受到半圆形区域I中电场的作用,区域内各点的电场方向始终沿径向指向半圆形区域I边缘﹐电场强度的大小恒定为 , 半圆形区域Ⅰ的半径为r。随后带电粒子进入垂直纸面向外的匀强磁场区域Ⅱ﹐磁场区域Ⅱ是一个以O'为圆心,半径为2r的圆形区域,与半圆形区域Ⅰ重叠部分没有磁场,O'点在О点正上方,O'O= , 磁感应强度的大小为。在x=3r的位置有一块竖直放置的屏幕,带电粒子运动至屏幕后被屏幕吸收。
(1)、求带电粒子由电场中进入磁场时的速度大小以及带电粒子在磁场区域中做圆周运动的半径;(2)、一带电粒子离开电场时的速度方向与x轴负方向的夹角为60°,求该带电粒子离开磁场区域时的速度方向以及与x轴之间的竖直距离;(3)、求第(2)问中的带电粒子运动的总时间。 -
8、2009年诺贝尔物理学奖授予物理学家高鲲,以表彰他在“有关光在纤维中的传输以用于光学通信方面”所做出的突破性成就。如图所示是光导纤维的截面图,其折射率为 , 一激光光束沿与OO'成角度的方向从О点射入,经折射后激光束进入光纤恰好可以在光纤内表面上发生全反射。已知光在真空中的传播速度为c=3.0×108m/s。
(1)、求角度的大小;(2)、若光纤的总长度为12km,求激光光束在光纤中传播的时间。 -
9、利用如图甲所示的圆锥摆装置验证向心力表达式,步骤如下:

(1)用天平测出密度较大的小球的质量为m,如图乙所示用20分度的游标卡尺测出小球的直径D=cm。小球静止时,用刻度尺测量此时悬挂点与小球上端之间的竖直距离为L。
(2)在白纸上画几个不同半径的同心圆,用刻度尺测量各个圆的半径。将白纸平铺在水平桌面上,使同心圆的圆心刚好位于。让小球做圆锥摆运动,俯视观察小球,其在水平面上沿着白纸上某个半径为r的圆做圆周运动,当运动稳定时,用秒表测量小球运动10圈所用的时间t。
(3)用向心力表达式推导出Fn=(用m、t、r和圆周率表示);通过受力分析,推导出小球做圆周运动时所受合力F=(用m、r、D、L和重力加速度g表示)。将记录的数据代入到上述两个表达式中进行计算。
(4)改变绳长,重复(2)、(3)实验步骤,记录多组数据。
(5)比较每一组数据计算出的Fn和F的大小,在误差允许的范围内近似相等。由此向心力的表达式得到验证。
-
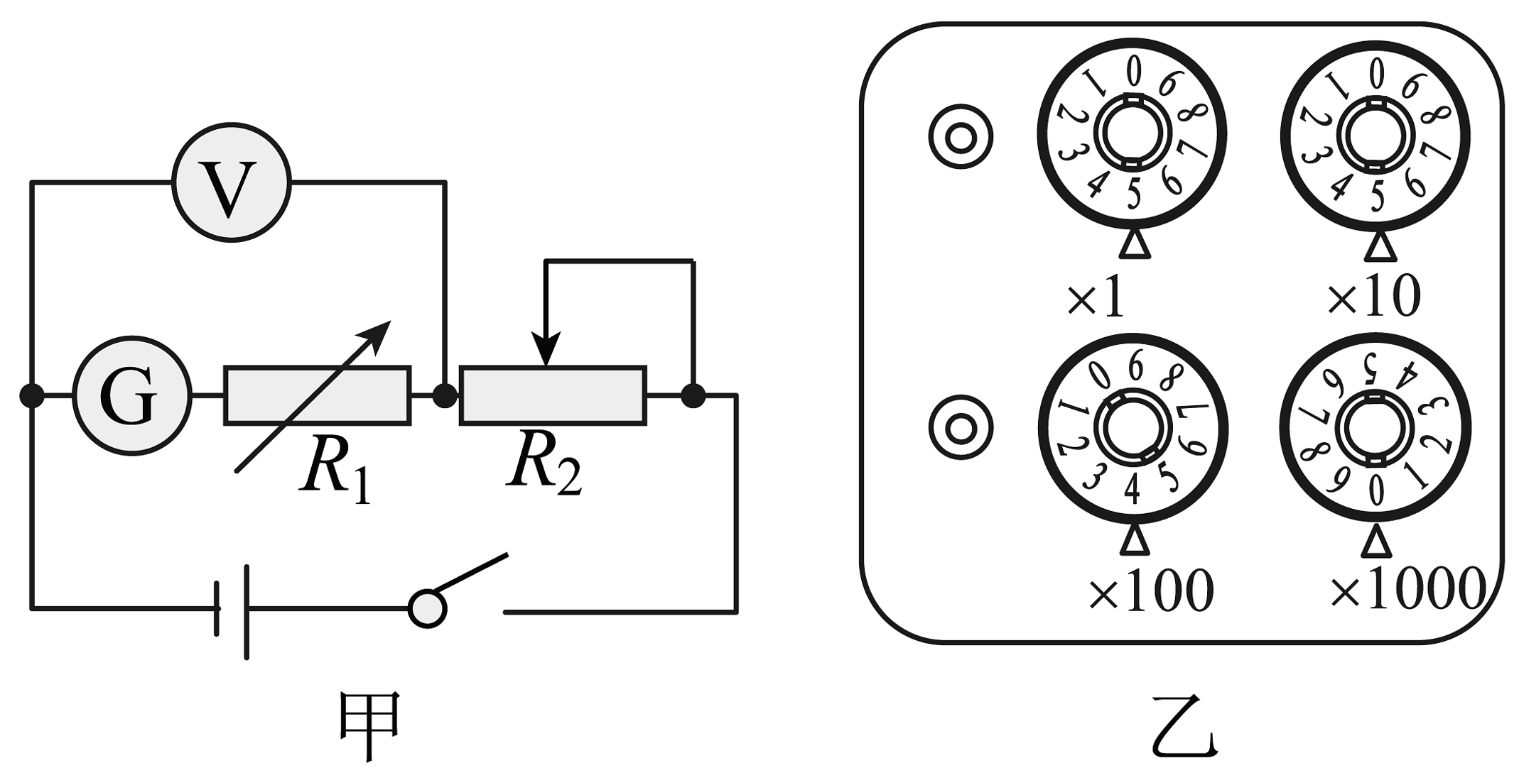
10、为测定两节干电池的电动势和内阻,实验室准备了下列器材:
A.待测的干电池,每节电池的电动势约为1.5V,内阻均小于0.1Ω
B.电流表A1 , 量程0~3mA,内阻Rg1=10Ω
C.电流表A2 , 量程0~0.6A,内阻Rg2=0.1Ω
D.滑动变阻器R1(0~20Ω,10A)
E.定值电阻R0=990Ω
F.开关和导线若干
(1)、某同学发现上述器材中没有电压表,但给出了两个电流表,于是它设计了如图(a),(b)所示两个参考电路图,其中合理的是图。
(2)、该同学从图中选出合理的实验电路后进行实验,利用测出的数据绘制出I1-I2图线(I1为电流表A1的示数﹐I2为电流表A2的示数。在初步分析电路时,R0所在支路的电流可忽略),如图(c)所示,已知图像的斜率大小为k,纵截距为b,则一节干电池的电动势E= , 一节干电池的内阻r=(用题中所给的各物理量符号表示)。(3)、若考虑R0所在支路的电流,则可利用I1-I2图像(c)中斜率大小k,纵截距b计算得到内阻的真实值r0以及电动势的真实值E0﹐相较第(2)小问中内阻的测量值r,(用k,b表示)。 -
11、如图所示,空间中存在匀强电场,电场强度的大小和方向均未知。为空间内的一个边长为10cm的正方体,已知、、、 , 则下列说法正确的是( )
A、正方体体心O(图中未画出)的电势为 B、面面心(图中未画出)的电势为 C、将一个电荷量大小为e的电子从点沿棱移动到C点,电场力做功为-12eV D、该匀强电场电场强度的大小为 -
12、如图所示,一根轻质直杆一端固定在O位置,直杆可绕О位置在竖直面内旋转,用一根长度为2L且不可伸长的轻质细绳穿过质量为m的圆环,细绳的两端分别固定连接在杆上O位置和A位置,OA=L。忽略一切摩擦阻力。现将轻杆从如图所示水平位置绕O点逆时针缓慢旋转直到轻杆竖直,下列说法正确的是( )
A、杆处于水平位置时,轻绳的拉力大小为 B、当轻绳的拉力大小为时,轻杆与水平方向夹角为60° C、当轻杆与水平方向夹角为45°时,轻绳的拉力大小为 D、在转动过程中,轻绳的拉力先减小后增大 -
13、如图所示,将一可视作质点、质量为m的小球从倾角为的斜面底端斜抛,小球恰好在运动轨迹的最高点位置通过斜面顶端。已知斜面高为h、斜面底边水平长度为L。重力加速度为g,不考虑空气阻力。设小球的初速度大小为v0 , 小球初速度方向与水平方向的夹角为α,则下列说法正确的是( )
A、小球初速度方向与水平方向夹角的正切值为 B、小球从抛出到通过斜面最高点所经历的时间为 C、小球的初速度大小为 D、整个运动过程重力的平均功率为 -
14、如图所示给出了一定量的理想气体经过一系列变化过程A→B→C→D→A最终回到初始状态的p—V图像,其中A→B、C→D的变化过程为等温变化过程,B→C、D→A的变化过程为等容变化过程,则下列说法正确的是( )
A、A→B的过程理想气体从外界吸收热量对外做功,且吸收的热量等于理想气体对外做的功 B、B→C的过程理想气体从外界吸收热量,理想气体的内能增大 C、C→D的过程外界对理想气体做功,理想气体向外界放热 D、D→A的过程理想气体从外界吸热,理想气体的内能减小 -
15、威尔逊云室是最早的带电粒子探测器。其原理是在云室内充入过饱和酒精蒸汽,当带电粒子经过云室时,带电粒子成为过饱和蒸汽的凝结核心,围绕带电粒子将生成微小的液滴,于是在带电粒子经过的路径上就会出现一条白色的雾迹,从而显示带电粒子的运行路径。在云室中带电粒子受到云室内饱和蒸汽对其的阻力,阻力大小与带电粒子运动的速度大小成正比。在不加磁场的情况下,一速度大小为v0 , 质量为m,电荷量为q的带电粒子在云室中沿直线通过s的路程后停止运动。现加入一个与粒子速度方向垂直、大小为B的匀强磁场,则带电粒子入射位置到停止运动时的位置之间的距离为( )A、 B、 C、 D、
-
16、如图甲所示是某小型电站远距离输电示意图。发电站发电机组输出总功率恒定为P0、峰值电压为U0的正弦交流电(如图乙所示),经过理想的升压变压器(n1≤n2)和降压变压器(n3>n4)后,将电能输送给用户。已知输电线上的总电阻为R,则用户端负载的总阻值为( )
A、 B、 C、 D、 -
17、水平面内有两个沿竖直方向振动的相干波源S1和S2(振动步调相同),发出的简谐横波在同一均匀介质中传播,其波源分别位于如图所示椭圆长轴端点位置,椭圆的半长轴为a=5m,半短轴为b=3m,如图所示建立xOy坐标系。已知波源频率f=2Hz,简谐波在介质中传播速度大小为8m/s,则下列说法正确的是( )
A、该简谐波在介质中的波长是16m B、在波源S1和S2的连线上(不包含S1、S2位置),振动加强的位置一共有3个 C、在椭圆上振动加强的位置一共有10个 D、位于y轴上的所有质点均是振动减弱点 -
18、某科研团队利用摆长为L的单摆,分别在地球北极和赤道进行实验,测得在地球北极单摆的周期为T0 , 在赤道的周期为T1 , 将地球视作一个半径为R,质量分布均匀的球体,则地球自转角速度为( )A、 B、 C、 D、
-
19、汽车工程学中将加速度随时间的变化率称为急动度k,急动度k是评判乘客是否感到舒适的重要指标。如图所示为一辆汽车启动过程中的急动度k随时间t的变化的关系,已知t=0时刻汽车速度和加速度均为零。关于汽车在该过程中的运动,下列说法正确的是( )
A、0~3s汽车做匀加速直线运动 B、3~6s汽车做匀速直线运动 C、6s末汽车的加速度大小为零 D、9s末汽车的速度大小为18m/s -
20、在物理学发展过程中,很多伟大的物理学家对物理的发展都做出了杰出的贡献。关于物理学史,下列叙述与事实不相符合的是( )A、普朗克提出能量量子化理论,并运用该理论对黑体辐射现象做出了理论解释 B、查德威克发现中子,为人类对原子能的利用奠定了基础 C、爱因斯坦发现了光电效应﹐并提出光电效应方程从理论上完美地解释了光电效应的实验现象 D、麦克斯韦电磁理论告诉我们变化的磁场可以产生电场,变化的电场可以产生磁场