相关试卷
-
1、关于分子动理论,下列说法正确的是( )A、扫地时看到的灰尘在飞舞,说明分子在永不停息地做无规则运动 B、固体很难被压缩,说明分子间有引力 C、把两块铅块紧压在一起,它们会黏在一起,说明分子间有斥力 D、打开酒精瓶的瓶塞,能闻到酒精味,说明分子在永不停息地做无规则运动
-
2、如图所示是一款远程无人驾驶清扫车,自动驾驶时使用雷达传感器,以及激光测距器来了解周围的交通状况,该款车以10m/s的速度在一段平直的公路上匀速行驶5min,消耗汽油0.3kg。已知,清扫车行驶过程中的受到阻力为1350N,汽油的热值为 求:
(1)、0.3kg汽油完全燃烧放出的热量;(2)、在此过程中清扫车的牵引力做的功;(3)、在此过程中清扫车发动机的效率;(4)、假设汽油完全燃烧放出的热量全部用来加热水。在不考虑其他热损失的情况下,可使质量为90kg的水升高多少度。 -
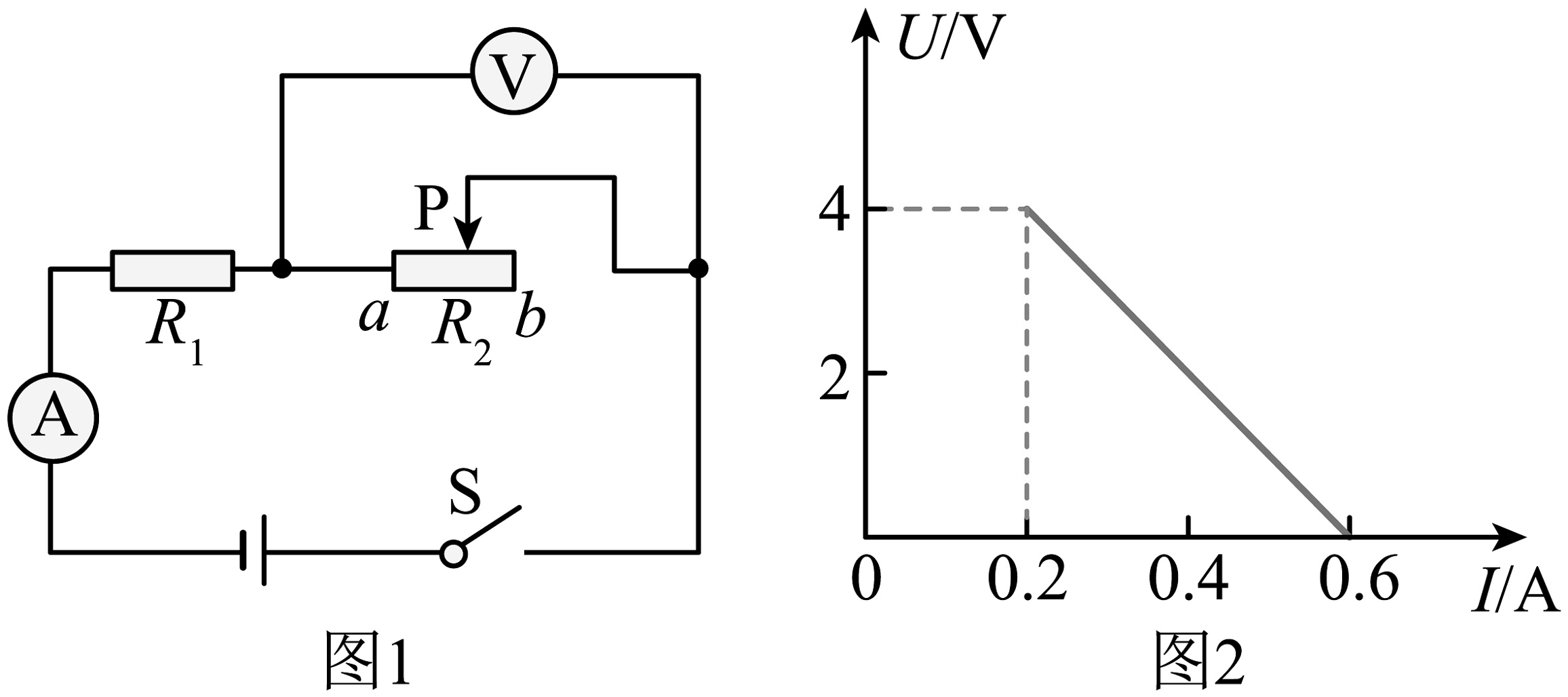
3、在如图所示的电路中,R1的阻值为20Ω,R2的阻值为30Ω,电源电压不变。当开关S1、S3断开, S2闭合时, 电流表的示数为0.2A。求:
(1)、电源电压;(2)、当开关S2、S3断开,S1闭合时,电流表的示数大小;(3)、改变开关的开闭状态后,电流表示数的最大值。 -
4、如图测量定值电阻阻值实验中,小华准备了以下器材:直流电源、电压表、电流表、滑动变阻器、开关、待测定值电阻Rₓ、导线若干。
(1)、按如图甲连接好电路,闭合开关前应将滑动变阻器的滑片调至阻值最大处,是为了;(2)、闭合开关后,移动滑动变阻器滑片,电流表有示数,电压表示数始终为0,造成这种现象的原因可能是____;(选填“A”“B”或“C”)A、电阻 Rx短路 B、电阻 Rx断路 C、滑动变阻器 Rp短路(3)、如图乙是一只玻璃外壳破碎的小彩灯,留下玻璃芯和灯丝部分连接成如图丙所示电路。闭合开关,小灯泡微微发光,此时彩灯灯丝通过的电流 小灯泡通过的电流(选填“大于”、“小于”或“等于”);然后用点燃的酒精灯给彩灯灯丝加热,电流表示数变小,可知灯丝温度升高,电阻(选填“增大”“减小”或“不变”);当用酒精灯给玻璃芯加热至红炽状态,电流表示数变大,说明玻璃加热后(选填“能”或“不能”)导电;(4)、兴趣小组继续进行实验创新,利用图丁电路图连接好的实物电路也能测出 阻值,已知变阻器最大阻值为R0 , 请将下列实验步骤补充完整。①检查电路无误后,闭合开关,调节滑片P至A端,记录此时电流表示数为I1;
② , 记录此时电流表示数为I2;
③则. (用字母I1、I2和R0表示)。
-
5、某实验小组用图甲所示电路进行“探究电流与电压的关系”实验。
(1)、请用笔画线代替导线将图甲电路连接完整(要求滑动变阻器滑片P向左移动时电阻变大);(2)、连接电路时,开关应该。闭合开关前,滑动变阻器滑片P应该位于(选填“A”或“B”) 端;(3)、闭合开关,同学们发现电流表没有示数,电压表示数接近电源电压,原因可能是定值电阻R(选填“断路”或“短路”);(4)、排除故障后,移动滑片P到某一位置时电流表示数如图乙所示,此时通过定值电阻R的电流为A,根据实验数据绘制出定值电阻R的I-U图像如图丙所示。由图像可得:当导体的电阻一定时,通过导体的电流与导体两端的电压成;(5)、同学们利用完整的图甲电路进一步“探究电流与电阻的关系”,测得实验数据如下表所示。实验时,保持电压表的示数为V不变。分析数据可得:当导体两端的电压一定时,通过导体的电流与导体的电阻成反比。实验次数
1
2
3
4
5
R/Ω
5
10
15
20
25
I/A
0.40
0.20
0.13
0.10
0.08
-
6、(1)、小明利用身边器材进行物理实验,在瓶中留有少量水,盖紧瓶盖,扭转瓶子,再轻轻扭松瓶盖,瓶盖被瓶内的气体冲出,同时瓶口出现白雾。在瓶盖被冲出的过程中瓶内气.体内能(选填“增大”“减少”或“不变”),瓶盖被冲出的过程中瓶内气体温度。(选填“不变”“升高”或“降低”)(2)、某学习小组在“探究影响导体电阻大小的因素”实验时,设计了如图所示的实验装置,实验中分别将A、B、C、D四根导体接入电路,四根导体的材料规格如下表所示。要探究导体电阻大小与横截面积的关系,应选用两根导体进行实验:该实验装置存在安全隐患,改进方法是 。

导体代号
长度/m
横截面积/mm2
材料
电流表示数/A
A
1:0
0.4
锰铜
1.4
B
0.5
0.4
锰铜
2.7
C
1.0
0.6
锰铜
2.0
D
1.0
0.4
镍铬合金
0.6
(3)、如图所示是探究“串联电路中电流特点”的实验电路图,下表是某同学在实验中测得的一组数据,其中明显错误的数据是;造成错误的原因是 。
电流表的位置
A
B
C
电流 I/A
0.3
0.3
1.5
-
7、如图甲所示是“探究水和食用油吸、放热性能”的实验装置,实验中用相同规格的电加热器给水和食用油加热。
(1)、实验中应保证水和食用油的初温与(选填“质量”或“体积”)都相同;(2)、实验中用相同规格的电加热器加热相同的时间,可以认为水吸收的热量(选填“大于”、“小于”或“等于”)食用油吸收的热量;(3)、记录实验数据并绘制出两种液体温度随加热时间变化的图像如图乙所示。由图像可知,水和食用油升高相同的温度,的加热时间更长,说明它的吸热能力更强;为了表示不同物质吸、放热性能,物理学中引入了比热容这个物理量,物质吸、放热能力越强,它的比热容就(选填“越大”或“越小”);(4)、已知水的比热容为 由图乙可知,食用油的比热容( J/ (kg·℃)。 -
8、
(1)、用笔画线表示导线,按照图甲所示的电路图,将图乙中各元件连接起来(导线不允许交叉)。(2)、在图甲中的两个虚线框内,分别将“电源”和“开关”的符号填入适当位置,满足开关都闭合时两灯组成并联电路。
(3)、请根据下图所示电路在虚线框内画出相应的电路图。
-
9、分别将一滴红墨水滴入冷水和热水中,过了一会儿发现冷水有一部分被染红了,热水全部染红了,这是现象,这两个实验现象说明越高,分子热运动越剧烈。
-
10、将电动自行车钥匙插入锁孔旋转一下,车子就通电了。车钥匙的作用相当于电路中的 , 给电动车充电时,蓄电池相当于电路中的。(均选填“开关”“用电器”或“电源”)
-
11、家庭中的电灯、电视机、电冰箱等用电器大多是(选填“串联”或“并联”)。在电路中的。如果在家中某些用电器工作的基础上,又多开一盏灯,则电路中的总电流将 (选填“增大”“减小”或“不变”)。
-
12、如图所示,电源电压恒定不变,当开关S 闭合时, ( )
A、电压表的示数变小,电流表的示数变小,灯变暗 B、电压表的示数不变,电流表的示数不变,总电阻变小 C、电压表的示数变大,电流表的示数变大,灯变亮 D、电压表的示数不变,电流表的示数不变,灯的亮度不变 -
13、如图所示是小吃油炸“麻果”。关于“麻果”,下列说法正确的是( )
A、刚出锅的“麻果”很烫,是因为“麻果”含有的热量多 B、油炸“麻果”时是通过做功改变了“麻果”的内能 C、“麻果”从油锅里捞出装入盘子后,温度逐渐降低,内能逐渐减小 D、油炸“麻果”时周围的人能闻到“麻果”的香味,这是扩散现象 -
14、如图所示,电源电压为6V,闭合开关后,电压表的示数为4V,则L2两端的电压为( )
A、2V B、4V C、6V D、10V -
15、我国的铁路与高铁总里程世界第一,同时,我国铁路建设在服务质量和安全管理方面也有显著提升。小华在假期乘坐火车出行游玩,她乘坐的火车一直保持匀速行驶,途中经过一长直隧道如图所示。
(1)、若列车以144km/h的速度匀速行驶,求列车全部通过隧道所用的时间。(2)、若该列车返程时全部在隧道里的时间为100s,求列车全部在隧道里时行驶的平均速度。 -
16、在“制作隔音房间模型”跨学科实践活动中,某同学用播放音乐的手机作为声源开展探究,他准备利用人刚听不到声音时人与声源的距离来进行比较材料的隔音性能。(1)、该同学用鞋盒充当“房间”并将手机放入其中模拟房间中发声的乐器。然后,在盒内的相应区域安装能够隔音的材料,制作隔音房间模型。他选用了纸板、棉布、塑料板等材料作为隔音材料,制作时,应选择厚度的不同材料,在注意隔音性能的同时,也要最大限度地保证“房间”的空间。比较时,他应保持手机发出声音的(选填“响度”或“音调”)相同,这种研究问题的方法是 。(2)、把手机放置在有不同隔音材料的鞋盒内,逐步远离声源,直至听不见手机的声音为止,数据如下:
材料
纸板
棉布
塑料板
泡沫板
距离/m
7
4
8
5
通过上面的探究可以得出不同材料的隔音性能是的。
(3)、该同学还发现:材料的表面粗糙程度可能对隔音性能有影响。于是他把塑料板加工成:两面光滑、一面光滑一面粗糙、两面粗糙的三种;分别用三种材料制成下面四个模型,来探究材料 的隔音性能与材料表面的粗糙程度对隔音性能的影响。下表是测量的数据:材料
两面光滑
一面光滑(光滑向外)
一面光滑(光滑向里)
两面粗糙
距离/m
8
4
6
3
通过对实验数据的分析发现:材料表面的粗糙程度不同,材料的隔音性能不同,而且是材料的粗糙面向着声源处时隔音效果更 (选填“差”或“好”)。
【拓展】 歌剧院的墙面覆盖岩棉、玻璃棉、聚酯纤维板等,并且墙面做成倾斜或波浪形,尽量阻止声音传出,这是在 减弱噪声。
-
17、我国自主研发的“手撕钢”薄如蝉翼,其厚度大约是物理课本一张纸厚度的五分之一,则一张“手撕钢”的厚度最接近于( )
A、0.2dm B、0.2cm C、0.2mm D、0.02mm -
18、近几年我国汽车工业发展迅速,如图为我国某知名品牌汽车四缸四冲程汽油机的一个气缸的结构示意图。气缸活塞面积为 , 一个冲程活塞在气缸中移动的距离是 , 满负荷工作时做功冲程燃气的平均压强为。当汽油机满负荷工作时(不计摩擦),飞轮转动周,消耗汽油。(已知汽油热值为)求:
(1)、燃气对活塞做的总功;(2)、该汽油机对活塞做功的功率;(3)、该汽油机的效率。 -
19、在“探究并联电路电流特点”的实验中,小致设计了如图甲所示的电路进行实验。
实验序号
(1)、连接电路时,开关应处于状态;(2)、在实验过程中,突然熄灭,亮度不变,电路可能出现的故障是;(3)、排除故障后,在、、三处各接入一个电流表,并选择合适的量程。闭合开关,测得、、三处的电流分别为、、。更换多组(选填“相同”或“不同”)规格的灯泡多次实验,部分实验数据如表所示;(4)、分析实验数据可得:在并联电路中,干路电流与各支路电流的关系是(用题中所给字母写出关系表达式);(5)、小致在某次实验时,测得处电流为 , 观察到处电流表指针位置如图乙所示,则处电流大小为;(6)、本实验要进行多次实验的目的是。 -
20、按要求完成下列作图;(1)、根据图1所示的电路图,把图2中所提供的相应实验器材连接成实物电路;
(2)、冰箱内的照明灯是由门控开关控制的,开冰箱门时,闭合,照明灯亮;关冰箱门时,断开,照明灯灭;冰箱的压缩机(电动机)是由温控开关控制的,闭合时,压缩机工作;断开时,压缩机不工作。请按要求完成电路图的连接。