-
1、往三个相同的玻璃杯里装水,水面高度不同。用筷子敲击玻璃杯,仔细调节杯中的盛水量,能分辨出音调高低。如图,其中,玻璃杯C发出的音调最(选填“高”或“低”),对应的声音波形图是(选填“甲”“乙”或“丙”);声音波形图乙和丙的响度(选填“相同”或“不同”)。

-
2、夜晚,小明在湖边观察到水中的鱼儿和月亮“在一起”。如图,水中的月亮,是因为月光在水面发生形成的虚像;他向湖面说话,水中的鱼儿被惊扰,说明声音能在中传播;若小明距离水面0.8m,则水中他的倒影到水面的距离为m。

-
3、如图所示,用两个圆纸盒、一根棉线做成土电话,左右两边各一个同学将棉线拉紧,右边同学的声音是由于她的声带产生的,左边同学能听到声音说明声音可以在中传播(选填“固体”“液体”或“气体”),用圆纸盒做听筒能让声音听起来更清楚,是因为它能。

-
4、雨后,泥泞的道路上留下了一个鞋印,用标有“cm”字样的刻度尺测量长度时的情景如图所示,该刻度尺的分度值是mm;根据图中信息可判断,该鞋印长为 , 为减小测量误差,可采用求平均值的方法。

-
5、下列哪个事例不能说明声音是由物体的振动产生的是( )A、
发声音叉溅起水花
B、
抽出空气,铃声减弱
C、
发声音叉旁泡沫球弹起
D、
对着气球说话,握气球的手感到振动
-
6、物理课上,老师用力吹一根较长的塑料吸管,一边吹,一边用剪刀剪,如图所示。听到的声音变化主要特点是( )
A、响度逐渐增大 B、音调逐渐降低 C、音调逐渐升高 D、响度逐渐减小 -
7、小明和同学在“测量教科书宽度”的实验时,测得物理课本的宽度分别为18.33cm、18.68cm、18.34cm、18.30cm.下列说法正确的是( )A、多次测量求平均值是为了消除误差 B、其中18.33cm的准确值是18.3cm C、他们测量值不同都是由于误差造成的 D、他们测量的最后结果应记作18.41cm
-
8、下列关于声和光的说法正确的是( )A、在教学楼与施工场地之间安装隔音板,是在声音传播过程中减弱噪声 B、建筑工地上打桩机产生的次声波,能被人耳听到且会造成噪声污染 C、商场玻璃幕墙发出的耀眼强光,是因为幕墙本身是光源 D、能各方向看清教室黑板上的字,是因为光在黑板表面发生了镜面反射
-
9、下列各成语所展现的情景中,与其他三个原理不同的是( )A、坐井观天 B、镜花水月 C、一叶障目 D、立竿见影
-
10、下列与光现象相关的事例中,没有应用平面镜的是( )
A、检查视力 B、汽车后视镜扩大视野 C、演员正在训练 D、万花筒中奇妙图形 -
11、我国古代将锅称为“釜”,《天工开物》记载:“凡釜既成后,试法以轻杖敲之,响声如木者佳,声有差响则铁质未熟之故,他日易为损坏。”古人通过判断“釜”的质量好坏( )A、音调 B、响度 C、音色 D、频率
-
12、白天,你能看见弹珠是因为光照到弹珠上发生了( )A、光的反射 B、光的色散 C、光的直线传播 D、光的折射
-
13、如图所示,小明用量筒测某玻璃弹珠体积,图中分别是放弹珠前和放弹珠后的情形,下列说法正确的是( )
A、该量筒的分度值是2mL B、可直接将弹珠放入空量筒,再加水至浸没 C、读数时,视线应如图甲所示 D、弹珠体积为 -
14、小明想采用以下四种方法测量玻璃弹珠的直径,你认为哪种方法正确( )A、
B、
C、
D、
-
15、小明做了下面的实验,研究“动能的大小与物体运动的速度有关”的问题。
(1)、甲、乙实验是通过观察木块被撞击后运动的距离,来研究(选填“小球”或“木块”)动能的大小;(2)、质量相同的小球,从斜面上不同高度处自由滑下,小球到达水平面时的速度是(选填“相同”或“不同”)的;(3)、对比实验中甲、乙,我们可以得出结论:同一物体,越大,动能越大;(4)、甲、乙两次实验中木块被撞击后滑行过程中所受摩擦力分别为f甲、f乙 , 则f甲(选填“>”“=”或“<”)f乙;(5)、若在进行甲、乙图实验时,两次实验中木块被推动的距离相近,为了使实验结果更明显,下列方法可行的是______;A、换用一个质量较大的木板 B、换用表面更粗糙的木板 C、换用质量更大的钢球 D、降低钢球下落时的高度(6)、若水平面绝对光滑,甲、乙实验将(选填“能”或“不能”)达到探究目的;(7)、将小球从一光滑斜槽轨道(OAB)O点自由滚下(图丙),依次经过A、B两点到达C点(忽略空气阻力),设A、B两点的机械能分别为和 , 则(选填“>”“=”或“<”);(8)、当小球从B点做斜抛运动到达C点时,假设小球所受的外力全部消失,小球将做______运动。A、沿a轨迹运动 B、沿b轨迹运动 C、沿c轨迹运动 D、保持静止 -
16、混合动力汽车的燃油经济性能好,而且行驶性能优越。混合动力汽车启动时,内燃机并不工作,蓄电池通过某种方式向车轮输送能量;当需要高速行驶或蓄电池储存电能过低时,内燃机启动,既可以向车轮输送能量,也可以同时给蓄电池充电;当车辆需要全力加速时,内燃机和蓄电池还可以同时向车轮输送能量,简单地说,就是与同样大小的汽车相比,燃油费用更低。
小明家新购置了一台某品牌的混合动力汽车如图1,小明结合课堂上学到的物理知识对该汽车进行了细致的研究。
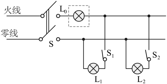
(1)、通常所说的混合动力汽车,一般是指油电混合动力汽车(HEV),即采用传统的内燃机(柴油机或汽油机)和电动机作为动力源。图2为四冲程内燃机的各冲程的示意图,这四个冲程的正确顺序是。用力将图戊的活塞迅速下压,筒内硝化棉燃烧,该过程能量转化的特点与汽油机(填冲程名称)冲程的能量转化相同。(2)、车上有一个用来提醒是否关好车门的指示灯。四个车门中只要有一个门没关好(相当于一个开关断开),该指示灯就会发光。如图所示的模拟电路图符合要求的是( )A、
B、
C、
D、
(3)、汽车挂倒挡倒车时,车尾的3-5个探头会同时发出并接收反射回来的超声波,从而确定车尾离障碍物的距离。挂挡器与电路元件中的作用相似,给汽车蓄电池充电时,蓄电池相当于(选填“用电器”或“电源”)。(4)、汽车中有如图所示的电路,其中上端带金属细杆的金属滑块M与两侧金属弹簧相连接并接入电路中,金属滑块M与弹簧套在光滑绝缘的水平细杆上,当汽车静止时,滑块M上的金属细杆与红、绿灯一端的触头(图中箭头)都不接触,当汽车急刹车时,灯亮(均填“红”或“绿”)。
-
17、工人要将一个重2000N的物体搬到高1m的车厢里,为了省力,他找了一块长5m的硬木板,搭在车厢上(衔接处的长度忽略不计),如图甲所示。工人用力把物体拉至车厢上,物体沿木板移动距离s与拉物体所用时间的图像如图乙所示,则:
(1)、30s内做的有用功是多少?(2)、若物体与木板间的摩擦力为200N,斜面的机械效率是多少?(计算结果保留至0.1%)(3)、30s内拉力的功率是多少? -
18、用煤气炉将的水从加热到 , 消耗煤气。已知煤气的热值为 , 水的比热容为。求:(1)、水吸收的热量;(2)、煤气完全燃烧放出的热量;(3)、煤气炉加热的效率。
-
19、小明用如图所示三种相同实验装置研究热学知识,烧杯内液体初温相同,请完成下列问题。

温度/℃
20
30
40
50
加热时间/s
液体a
0
30
64
102
液体b
0
13
30
50
(1)、在组装器材时应该先安装(选填“A”或“B”),实验时应保证烧杯内液体质量(选填“相同”或“不同”)。(2)、若要比较不同燃料的热值,应选择两图进行实验,并且应该让(选填“质量”或“初温”)相同的燃料。(选填“燃烧相同时间”或“充分燃烧”)(3)、若要比较不同物质的比热容大小,则:①应选择两图进行实验,实验中,用(选填“加热时间”或“升高温度”)来表示两种液体吸收热量的多少。
②分析表中数据:你认为两种液体中,适合充当汽车冷却剂的液体是液体。(选填“a”或“b”)。
-
20、(1)、在如图所示的电路中,请根据导线中的电流方向,在空缺处填入电源、开关和合适的电表,使两灯和串联,并能同时发光。
(2)、某门禁系统有两种识别方式:人脸识别(开关)和密码识别(开关),只要其中一种方式识别成功即可闭合相应开关,启动智能锁电动机开启门锁。请在图中完成电路设计。
(3)、根据图甲所示的实物连接图,在图乙的虚线框中画出电路图。