版本:
相关试卷
- 浙江省宁波市北仑区2017-2018学年九年级上学期科学期末考试试卷
- 浙江省宁波市江北区2017-2018学年九年级上学期科学期末考试试卷
- 浙江省宁波市鄞州区九校2017-2018学年八年级上学期科学期末考试试卷
- 浙江省宁波市东钱湖九校2017-2018学年七年级上学期科学期中联考试卷
- 浙江省宁波市海曙区2017-2018学年九年级上学期科学期中统考试卷
- 浙江省宁波鄞州区九校2017-2018学年九年级上学期科学月考试卷
- 浙江省宁波鄞州区九校2017-2018学年七年级上学期科学第一次月考试卷
- 浙江省宁波鄞州区九校2017-2018学年八年级上学期科学第一次月考试卷
- 2017-2018学年华师大版八年级上学期科学期中模拟试卷
- 2017-2018学年华师大版九年级上学期科学期中模拟试卷
-
1、如图所示,小云在探究光的反射定律时,将一块平面镜放在水平桌面上,再把一块白色硬纸板垂直放置在平面镜上。
(1)、实验时让光贴着纸板入射是利用光的(选填“镜面反射”或“漫反射”)以便显示光路;(2)、让入射光线EO靠近法线ON,则反射角会(选填“变大”或“变小”);(3)、将纸板B向后折转一定角度,在B板上(选填“能”或“不能”)看到反射光;(4)、逆着OF的方向射向镜面,会发现反射光线沿着OE方向射出,这表明: -
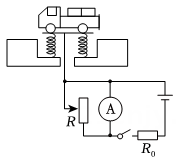
2、如图(a)所示,将一根原长为L0的弹簧一端固定在墙面上,分别用大小或方向不同的力作用在弹簧的另一端,实验现象如图(b)、(c)、(d)、(e)所示。
(1)、分析比较图可知,当力的大小和作用点相同时,力的方向不同,力的作用效果不同。(2)、分析比较图(c)和(d)可知,当力的大小和相同时,力的不同,力的作用效果不同。(3)、分析比较图(b)和(c)可知, . -
3、如图是人眼看见A物体在平面镜中的像A'的示意图,请确定物体A的位置并画出入射光线。

-
4、如图所示,S为发光点,请在图中画出发光点S在平面镜MN中所成像S'的位置,并画出由S点发出,经平面镜反射后通过P点的光线。

-
5、如图,凹透镜与凸透镜的主光轴平行,凹透镜的虚焦点为F1 , 凸透镜的焦点为F2 , 一条光线(该光线的延长线过凹透镜的虚焦点F1)经凹透镜折射后射向凸透镜并发生折射,请画出此过程的光路图。
-
6、画出下列力的图示:木块受到与水平面成35°角的斜向右上方的200 N的拉力。

-
7、如图练习调节投影仪实践活动中,小明通过调节,使屏幕上出现了清晰画面,但是,画面超出了屏幕范围。为此,小明的操作应当是:适当(填“增大”或“减小”)投影仪与屏幕的距离,并将凸透镜适当向(填“上”或“下”)移动。

-
8、小华同学用激光笔照射水面,在水槽壁上出现两个红点A和B若保持入射点O的位置不变,欲使A点下移至A',应使入射光线MO绕着点O沿(填“顺时针”或“逆时针”)方向转动;若保持入射光线不变,欲使B点下移至B',应使水面(填“上升”或“下降”),在水面变化过程中,折射角(填“增大”“不变”或“减小”)。

-
9、下列光现象中,由光的折射而形成的是由光的反射而形成的是。(填写序号)

-
10、小明在家为弟弟表演了一个“变硬币”的魔术,如图所示,将不透明的杯子放在弟弟面前,弟弟看到杯中无硬币。然后缓慢向杯中注入水,弟弟惊讶地看到了“硬币”。弟弟看到的“硬币”是由于光的(选填“直线传播”、“反射”或“折射”)形成的(选填“实”或“虚”)像,像的位置比实际硬币的位置(选填“深”或“浅”)。

-
11、测量视力时,视力表放在被测者后方,被测者识别对面墙上镜子里的像,如图所示。
(1)、小红看到视力表的像是(选填“实”或“虚”)像,该像到小红的距离为m;(2)、若她向左移动1m,镜中视力表的像的大小(选填“变大”“变小”或“不变”),该像到小红的距离为m。 -
12、右图所示为光从空气射向玻璃时发生折射的光路图,由图可知,入射光线是 , 界面的(选填“上”“下”“左”或“右”)侧是空气。

-
13、小漫自己制作了一个哨子,在筷子上缠一些棉花,做成一个活塞。用水蘸湿棉花后插入两端开口的塑料管,吹管的上端,可以发出悦耳的哨声,如图甲所示。
(1)、这哨声是由管内的振动而产生的。上下推拉活塞,可以改变声音的(选填“音调”、“响度”或“音色”)。(2)、如图乙所示,、A、B、C图活塞在管中不同位置时,用嘴吹管的上端能分别吹出“dou(1)”、“ruai(2)”、“mi(3)”三个音阶(音调逐渐升高),则dou(1)这个音阶与图位置对应。 -
14、习总书记在青岛考察时指出,发展海洋科研是推动强国战略的重要方向。我国自主研发的深海水声学探测器,安装了包括导航、水声通信测速、图象信号传输等多部不同功能的声呐,由此可以说明声音可以传递 , 声呐使用时发出的是(填“超声波”或“次声波”),这种声波在水中的传播速度(填“大于”、“等于”或“小于”)在空气中的传播速度。
-
15、右图是一只小狗在太阳系不同行星上所受的重力大小。’根据图中所给的信息,一名质量为50kg的中学生在火星上所受的重力大小为N, 质量是kg。(取g地=10N/ kg)

-
16、右图是一种常见的订书机,钉槽内的订书钉之所以不会松脱,是因为固定在槽内后部的弹簧给订书钉一个向(选填“左”或“右”)的弹力。在使用过程中,随着订书钉的减少,弹簧给订书钉的这个力将(选填“增大”“减小”或“不变”)。

-
17、右图所示,一根弹簧其自由端B在未悬挂重物时,正对刻度10,挂上100N重物时,正对刻度30,图中每小格表示N。当弹簧挂50N重物时,自由端所对刻度应是;若自由端所对刻度是40,这时弹簧下端悬挂的重物为N。(弹簧一直在弹性限度内)

-
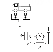
18、如图甲,把轻质弹簧(忽略弹簧重力)挂在铁架台上,并在弹簧旁安装刻度尺,在弹簧下端挂上钩码,测得弹簧的长度l与钩码对弹簧的拉力F之间的关系如图乙所示。
(1)、当弹簧未挂钩码时,F=N,弹簧的长度为cm。(2)、当弹簧的长度为6cm时,弹簧上所挂钩码重N。 -
19、如图所示为“探究弹簧的长度与力的关系”的实验,选取甲、乙、丙、丁四根完全相同的弹簧,将甲、乙弹簧左端固定在墙上,用大小为F的力拉甲弹簧的右端,用大小为F的力压乙弹簧的右端,在丙弹簧左右两端施加大小为F的拉力,在丁弹簧左右两端施加大小为F的压力,四根弹簧都水平静止,此时四根弹簧的长度分别是、、、 , 则(
A、 B、 C、 D、<< < -
20、标有A、B两点的筷子放在空碗中,如图甲所示。向碗中加水至虚线处,观察到如图乙所示场景,此时看到筷子上的A点或B点,光的传播路径正确的是 ( )
A、
B、
C、
D、