相关试卷
-
1、如图为某种调光台灯中使用的电位器示意图,通过转动旋钮OP 来改变滑片P在碳膜上的位置(碳膜相当于一根电阻丝),A、C分别边在碳膜两端,B与滑片P相连,要求:顺时针转动旋钮可使灯泡亮度增加,请将a图与b图连成一个符合要求的调光台灯的电路图。

-
2、电动汽车是指以车载蓄电池驱动电机行驶的车辆,当给汽车充电时,蓄电池相当于(选填“用电器”或“电源”)。如图是某款车载充电线,可供三部手机同时充电,充电时三部手机的连接方式是(选填“串联”或“并联”),若拔掉其中一部手机,则电路中的总电流将(选填“变大”、“不变”或“变小”)。

-
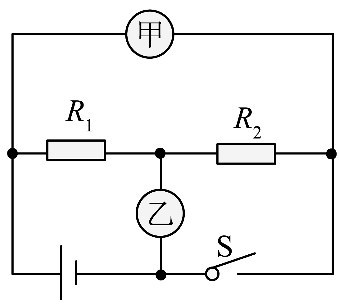
3、如图(a)所示的电路中,当闭合开关后,两只电压表的指针偏转均如图(b)所示,则R1两端的电压为V, 两端的电压为V。

-
4、如图所示,用毛皮摩擦过的橡胶棒去接触不带电的验电器A,A的金属箔片因带种电荷,相互排斥而张开,再用带有绝缘柄的金属棒C把验电器A、B的金属球连接的瞬间,金属棒中电流的方向是由(选填“A到B”或“B到A”) 。

-
5、某金属丝两端电压是3V时,通过它的电流是0.6A,则该段金属丝的电阻是Ω;当它两端电压为0V时,该导体的电阻为Ω。
-
6、小姿喜欢喝咖啡,在冲调咖啡时总能闻到一股浓浓的香味,这是现象,咖啡在冷却的过程中,它的内能(选填“增大”、“不变”或“减小”)。
-
7、关于如图所示的电路图,下列说法正确的是 ( )
A、闭合S2 , 断开S1、S3时, 电路是短路 B、闭合S1、S3 , 断开S2时, L1和L2都不能发光 C、闭合S1、S2 , 断开 S3时, 电路是短路 D、闭合S2、S3 , 断开S1时, 只有L1发光 -
8、2025年4月24日,搭载神舟二十号载人飞船的长征二号F遥二十运载火箭发射升空。下列说法正确的是 ( )A、火箭属于热机 B、火箭燃料燃烧越充分,热值越大 C、飞船在加速上升过程中,机械能守恒 D、火箭使用的液态氢热值较大
-
9、科技改变生活, “无人面馆”48秒出一碗面,从揉面到出餐均由机器人完成。自动出售时可通过扫码或投币操作,图中电路设计符合要求的是 ( )A、
B、
C、
D、
-
10、小星在做实验时,先连成如图所示的电路,闭合开关S1并观察灯泡亮暗情况后,再闭合开关S2 , 小星看到的现象是( )
A、两只灯泡一直都不亮 B、两只灯泡一直亮 C、两只灯泡开始都亮,后来L2不亮 D、两只灯泡开始都亮,后来L1不亮 -
11、我国西晋学者张华在《博物志》中写到“今人梳头、脱着衣时,有随梳、解结有光者,亦有咤声”,意思是人们梳头、脱衣时会看到小火星和听到微弱响声,此现象中( )A、通过摩擦创造了电荷 B、头发越梳越乱是因为同种电荷相互吸引 C、梳子和头发相互吸引 D、外衣与里衣摩擦,一个失去电子带负电,一个得到电子带正电
-
12、下列事例中改变内能的方式与其他三个不同的是( )A、弯折铁丝发烫
B、压缩空气升温
C、点火后盒盖飞出
D、勺子再热汤中升温
-
13、下列数据最接近实际的是( )A、人体的安全电压是36V B、家庭电路的电压是380V C、普通家用照明灯的工作电流约2A D、冰箱正常工作时电流约为1A
-
14、铁板文蛤是南通的特色佳肴,由文蛤、佐料放在经加热发烫的铁板上制作而成,在体积相同的条件下,餐馆会尽量选择热容量大的炊具。热容量的定义是物体的温度升高(或降低)1 ℃吸收(或放出)的热量。查阅资料知道:物体的热容量与物体的质量和物质的比热容有关,由此同学们对相同体积物体的热容量做如下猜想:
猜想1:物体的质量越大则物体的热容量越大;猜想2:物质的比热容越大则物体的热容量越大。
同学们先用图甲所示装置,将体积相同的4个不同金属块浸没在烧杯内的水中,将水加热至沸腾,用温度计测出水的温度,示数如图乙;将4个金属块同时从水中取出,快速放入4个相同的保温杯中,杯中盛有质量和初温(约20 ℃)均相同的水,过一段时间后分别测出保温杯内水的末温,收集记录的数据如下表。

金属块 质量m/g 比热容c/[J·(kg·℃)-1] 末温/℃ 铅 565 0.13×103 34.3 铜 445.0 0.39×103 47.2 铁 395.0 0.46×103 48.1 铝 135.0 0.88×103 40.9 (1)、 安装装置时应先固定铁夹(填“A”或“B”);图乙温度计示数为℃。(2)、 由表中数据可知:若金属块放出的热量完全被水吸收,则吸收热量最多的是放入了金属的杯中的水;热容量最大的是金属块。(3)、 分析数据可判断:猜想1、猜想2都是的。请选择猜想1或猜想2,说出你对该猜想做出上述判断的理由:。 -
15、探究:串联电路中电压的特点。(1)、根据图丙电路图,请在图丁中用笔画线代替导线将实物图补充完整。(导线不交叉)
(2)、用电压表正确测量灯泡L1两端的电压之后,(填“能”或“不能”)只将A点的导线接到C点测灯泡L2两端的电压,理由是(3)、做实验时选用不同规格的小灯泡重复多次实验,这样做的目的是。 -
16、探究保温瓶的保温效果与哪些因素有关。(1)、【问题】很多同学喜欢用保温瓶带热水到校饮用。创新小组的同学发现:保温瓶内装水较多时,保温效果较好;装水较少时,保温效果较差。据此,同学们猜想:保温瓶的保温效果可能与有关。
【证据】针对同学们的猜想,甲、乙两组同学分别设计了一套方案。
甲组方案:利用五个规格相同的保温瓶(容积为2 L)在同一天进行实验:
①上午8:00将体积不同、初温均为98 ℃的热水,同时装入五个保温瓶内。
②下午6:00打开五个保温瓶,同时测量并记录水温,计算出水降低的温度。
乙组方案:利用同一保温瓶(容积为2 L)分五天进行实验:
①每天上午8:00将体积不同、初温均为98 ℃的热水装入同一保温瓶内。
②每天下午6:00打开保温瓶,测量并记录水温,计算出水降低的温度。
上述两套方案,都能控制实验时保温瓶的保温性能完全相同,但乙组方案不能保证每天的完全相同。所以,同学们选择了甲组方案在实验室进行实验。收集的数据如下表:
水的初温:98 ℃
保温瓶编号 ① ② ③ ④ ⑤ 水的体积/L 1.6 1.7 1.8 1.9 2.0 水的末温/℃ 79.0 81.5 83.0 85.5 84.5 水降低的温度/℃ 19.0 16.5 15.0 12.5 13.5 (2)、 【解释】本实验通过相同时间内来反映保温瓶的保温效果,这种研究方法称为转换法;分析实验数据可得出初步结论:在其他条件相同的情况下,水量少于1.9 L时,水量越多,其保温效果越;水量在1.9~2.0 L时,水量越少,其保温效果越好。(3)、 【交流】经过讨论,同学们认为水量在1.9~2.0 L范围内的初步结论不一定可靠,原因是。(4)、 实验过程中,水温下降是通过的方式改变其内能。(5)、 下列实验中也用到转换法的是____。(填字母代号)A、探究平面镜成像特点时,用两支相同的蜡烛来比较像与物的大小关系 B、探究物体动能大小时,用木块被撞击后移动的距离来反映物体动能的大小 -
17、如图甲所示的电路中,电源电压恒为3 V,
(1)、只闭合开关S1 , 电流表A1的示数如图乙所示,此时通过 L1、L2的电流分别为多少?(2)、再闭合开关 S2 , 电流表A1的示数变为0.5 A,此时通过 L1、L2的电流分别为多少? L1两端的电压为多少? -
18、图是一款便携式的卡式炉(燃料为丁烷),该卡式炉的加热效率为42%。某次用它加热质量为2 kg的水,水的温度升高了45 ℃。假设丁烷完全燃烧,求:[c水=4.2×103 J/(kg·℃),丁烷的热值取4.5×107 J/kg]
(1)、水吸收的热量;(2)、需要燃烧丁烷的质量。 -
19、科创小组在用电流表测电流的实验中:
(1)、小明在闭合开关前,发现电流表的指针如图甲所示,原因是 ;若是在闭合开关后出现此情况,原因是 。(2)、 改正错误后将电流表重新连入电路中,闭合开关,小明发现电流表指针如图乙所示,原因是 , 接下来的操作应该是 。(3)、 小明正确连接完电路进行实验时,电流表示数如图丙所示,他认为此时连入电路的电流表的分度值为0.02 A,读数为 A。同组的小芳看到后指出了错误,则电流表的分度值应为 A,正确读数应为 A。 -
20、在“探究并联电路中电流的特点”实验中,小东设计了下图甲所示的电路进行实验。
(1)、连接电路时,开关S应处于状态。闭合开关S,小东发现电流表指针向零刻度线左侧偏转,可能的原因是电流表。(2)、解决上述问题后,小东先将电流表接在灯L1所在的支路上,闭合开关S,观察到灯L2发光,灯L1不发光,电流表的示数为零,电路存在的故障可能是灯L1(选填“断路”或“短路”)。(3)、排除故障后,他测出通过灯L1的电流I1 = 0.8 A,通过灯L2的电流I2 = 0.2 A。测量干路电流I时,电流表的示数如图乙所示,则I=A。小东由此数据得出结论:并联电路中干路电流等于各支路电流。(4)、本次实验的不足之处是。