相关试卷
- 浙江省衢州市2024-2025学年高一下学期6月教学质量检测(期末)技术试题-高中通用技术
- 浙江省浙南名校联盟2024-2025学年高二下学期期末联考技术试题-高中通用技术
- 浙江省衢州市2024-2025学年高二下学期6月教学质量检测(期末)技术试题-高中通用技术
- 浙江省台州市2024-2025学年高二下学期期末质量评估技术试题-高中通用技术
- 浙江省诸暨市2024-2025学年高三下学期5月适应性考试通用技术试题
- 2025届浙江省义乌市普通高中高三下学期适应性考试(三模)技术试题-高中通用技术
- 2025届浙江省温州市普通高中高三下学期第三次适应性考试(三模)技术试题-高中通用技术
- 2025届浙江省强基联盟高三下学期三模技术试题-高中通用技术
- 浙江省慈溪市2024-2025学年高二上学期期末考试技术学科试卷-高中通用技术
- 【高考真题】浙江省2024年6月普通高校招生选考科目考试通用技术试题
-
1、如图所示是一款平衡吊,吊臂为平行四边形机构,能在铅垂面内运动。起吊时,配重的作用除了起平衡外,还可以( )A、增加强度 B、减小载荷 C、降低重心 D、增加稳定性
-
2、如图所示是一款平衡吊,吊臂为平行四边形机构,能在铅垂面内运动。构件2、构件3与构件1之间的连接方式是( )A、紧铆连接 B、铰连接 C、榫接 D、焊接
-
3、如图所示是一款木制衣帽架。为了提高其稳定性,下列措施中不合理的是( )A、增大底座的支撑面积 B、缩小立柱的截面积 C、降低衣帽架的高度 D、缩短衣帽钩伸出的长度
-
4、如图所示是一款千斤顶,其工作原理是:转动丝杆,改变支撑杆间的角度实现升降。下列关于千斤顶结构的说法中,错误的是( )A、支撑杆用钢板制作成“U形”,既保证强度又减轻质量 B、通过丝杆的转动实现千斤顶的升降 C、蝶型底座,既适用于不同地面,又有较大的支撑面积 D、支撑杆之间采用铰连接,主要是为了便于折叠收纳
-
5、如图所示是用硬纸板制作而成的座椅,具有一定的强度,能承受一个成年人的重量。以下不属于影响座椅强度的主要因素是( )A、硬纸板的强度 B、硬纸板连接处的结构 C、硬纸板与硬纸板之间的连接方式 D、纸板椅座面的高度
-
6、如图所示是一款平衡吊,吊臂为平行四边形机构,能在铅垂面内运动。在图示位置,构件1、构件2的主要受力形式是( )A、构件1受拉,构件2受弯曲 B、构件Ⅰ受拉,构件2受拉 C、构件1受弯曲,构件2受拉 D、构件1受弯曲,构件2受压
-
7、如图所示是一种压紧装置示意图。在力F作用下,加力杆通过连杆带动压杆将物体压紧。支撑杆1、支撑杆2、销轴的主要受力形式是( )A、支撑杆1受压、支撑杆2受压、销轴受弯曲 B、支撑杆Ⅰ受压、支撑杆2受拉、销轴受弯曲 C、支撑杆1受压、支撑杆2受压、销轴受剪切 D、支撑杆1受拉、支撑杆2受压、销轴受剪切
-
8、如图所示是一种拉力装置示意图。在力F作用下,滑杆1的移动通过连杆1带动摆杆摆动;摆杆的摆动通过连杆2带动滑杆2的移动,从而克服阻力P。此时在力F作用下,滑杆1、连杆1、连杆2、滑杆2的主要受力形式是( )A、滑杆1受弯曲与受压,连杆1受压、连杆2受拉、滑杆2受弯曲与受拉 B、滑杆1受弯曲与受拉、连杆1受拉、连杆2受拉、滑杆2受弯曲与受拉 C、滑杆1受弯曲与受压、连杆1受压、连杆2受压、滑杆2受弯曲与受压 D、滑杆1受弯曲与受拉、连杆1受拉、连杆2受压、滑杆2受弯曲与受压
-
9、小明在通用技术实践课上,用角钢制作如图所示的简易三角支架。以下操作中正确的是( )A、将角钢平放在工作台上,用划针沿着角尺的两直角边直接在角钢上划出缺口线 B、将角钢夹持在台虎钳上,用手锯沿着划线方向锯出缺口,并留有锉削余量 C、将角钢夹持在台虎钳上,用圆锉锉掉余量,并将锯割面锉削平整 D、角钢缺口向下,中间位置对准台虎钳的钳口边缘,将其夹紧,用铁锤向下敲打成直角
-
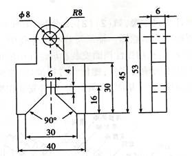
10、通用技术实践课上,小明准备用70mm×50mm×6mm的钢板加工该零件,下列说法中不正确的是( )A、锉削时可以戴手套 B、钻孔时不能用手直接扶持该工件 C、加工流程为:划线→钻孔→锯割→锉削 D、使用划针、钢直尺、样冲、铁锤就能完成划线
-
11、如图所示是一种过桥齿轮装置的结构示意图。轴承安装在齿轮孔中,用于齿轮与螺栓间的支承;孔用弹性挡圈安装在齿轮孔中的槽内,用于轴承在齿轮孔中的轴向定位;螺栓穿过挡油环、轴承孔、套筒后安装在支撑座上,平垫圈、弹簧垫圈、螺母安装在螺栓上,用于锁紧。
过桥齿轮的装配需要以下环节:A.安装轴承;B.安装螺栓;C.安装弹簧垫圈;D.安装螺母;E.安装平垫圈;F.安装孔用弹性挡圈;G.安装挡油环;H.安装套筒;L.安装齿轮。请分析过桥齿轮装置的结构和装配工艺,回答以下问题:
(1)、合理的装配流程为→→G→L→H→→E→C→(在横线处填写装配环节的序号);(2)、在过桥齿轮装置的结构图中,安装弹簧垫圈的目的是(在A .防止螺母松动B .防止螺母损坏;C .便于螺母拆卸中选择合适的选项,将序号填入横线处);(3)、小明在通用技术实践课上手工加工螺栓的螺纹时,不需要用的工具是______(在以下选项中选择合适的选项,将序号填入横线处)。A、B、
C、
-
12、如图所示是某个夹具中的一个压紧摆杆,其中各孔均为通孔。小明在通用技术实践课上用大小合适的钢板加工该压紧摆杆。在加工过程中需要以下环节:
A.冲眼;B.钻孔;C.锯割;D.划线;E.攻丝;F.锉削。
请分析该压紧摆杆的加工环节,回答以下问题:
(1)、合理的加工流程为: A→→→C→(在横线处填写加工环节的序号);(2)、小明加工该压紧摆杆时,下列工具组合正确并且用到的是_____(选择合适的选项,将序号填入横线处);A、B、
C、
(3)、小明在加工该压紧摆杆时,下列说法中错误的是(在A .在台钻上钻孔时要戴防护眼镜,不能戴手套;B .锉削时要注意身体和手臂动作的协调;C .锯割时推锯不加压,回拉加压中选择合适的选项,将序号填入横线处)。 -
13、如图所示为小木床和护栏的示意图,护栏两端分别装有转动轴和限位锁,护栏通过连接件安装到床上。要把该连接件安装到小木床上,合理的标准件与安装工具是( )A、螺栓与羊角锤 B、膨胀螺栓与羊角锤 C、自攻螺钉与螺丝刀 D、紧定螺钉与螺丝刀
-
14、下列操作要领中,说法不正确的是( )A、在金属上划线时,划针要紧贴导向工具,且与划线表面垂直 B、锯割时,一般可以从工件远离自己的一端起锯 C、攻内螺纹时,要确保丝锥中心线与孔中心重合,防止将螺纹攻歪 D、锉削时,锉屑堵塞锉刀后应用钢丝刷顺着锉纹方向刷去
-
15、下列锯割操作要领的叙述中不正确的是( )A、站位和握锯姿势要正确 B、推拉要有节奏 C、锯程要长 D、推锯和拉锯时要均匀施加压力
-
16、将图(a)所示的钢材加工成图(b)所示的零件。在加工过程中,不需要的工具是( )A、台虎钳 B、台钻 C、钢丝锯 D、铁锤
-
17、如图所示是用不锈钢薄板制作的小饰品。加工过程中,下列操作不合理的是( )A、钻孔时使用手钳夹持 B、锯割时选用细齿锯条 C、锉削外轮廓时均用圆锉 D、表面抛光时用砂纸打磨
-
18、以下金属加工操作中不规范的是( )A、起锯时,起锯角约15度 B、划线时,压紧钢直尺 C、冲眼时,样冲倾斜对准位置后扶正冲眼 D、在厚钢板上攻丝时,一直顺时针方向旋进丝锥
-
19、请补全三视图中所缺的三条图线。
-
20、【加试题】请补全三视图中所缺的三条图线。