• 1、小李的弟弟非常喜欢躺在手摇椅上,但是小李发现摇手摇椅很辛苦,于是想把手动摇椅改装为电动摇椅。如图a所示,小李对电动摇椅的结构已经进行部分改装。电机转轴如图b所示,电机轴前端的截面为边长20mm的正方形,且有一大小合适的通孔。

    请你帮助小李完成电机转轴和摇椅之间的连接件设计,设计要求如下:

    ⑴小李已完成的部分不允许做任何加工;

    ⑵连接件与摇椅和电机的轴连接要可靠;

    ⑶电机和摇椅连上连接件后能实现摇椅在竖直面内小角度摆动;

    ⑷主要材料采用10mm厚和40mm宽的足够长的钢条,辅助材料自选。

    请根据描述和设计要求完成以下任务:

    (1)、①画出连接件的设计草图,必要时可用文字说明;

    ②在设计草图上标注连接件的主要尺寸;

    (2)、小李发现该问题的途径是(从“A .观察日常生活;B .收集与分析信息;C .技术试验与技术研究”中选择一项将序号填入横线处);
    (3)、将连接件安装到转轴上,合理的连接件是(在“A .自攻螺钉;B .开口销;C .膨胀螺栓;D.紧定螺钉”中选择合适的选项,将序号填入横线处);
    (4)、下列不属于该设计的限制因素的是(在“A .转动轴的形状和尺寸;B .连接件的加工材料;C .电机的功率;D .连接件的加工工艺”中选择合适的选项,将序号填入横线处)。
  • 2、如图所示是一款齿轮泵的结构示意图。前、后盖通过内六角螺栓和圆柱销固定在泵体上,主动轴与齿轮穿过后盖固定在泵体基座内,从动轴与齿轮安装在主动轴与齿轮的下方且主、从动齿轮相互啮合。该结构的装配需要以下环节:A.安装平键;B.安装后盖;C.安装从动轴与齿轮;D.安装圆锥齿轮;E.安装前盖;F.安装垫圈;G.安装螺母;H.安装压紧螺母;I.安装主动轴与齿轮。请分析该结构和装配工艺,回答以下问题:

    (1)、合理的装配流程为:→ C → E →→ D → F → G (在横线处填写装配环节的编号);
    (2)、手工装配过程中没有用到的工具是 (在下列选项中选择合适的选项,将序号填入横线处);

    (3)、泵体基座上连接六角螺栓的孔应采用(在“A .光孔;B .螺纹孔”中选择合适的选项,将序号填入横线处)。
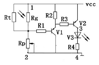
  • 3、如图所示是小明搭建的温控与光控电路,其中Rt是负温度系数的热敏电阻,分析该电路,请完成问题。

    (1)、对该电路的分析和描述,下列说法不正确的是(  )
    A、当温度低且光线暗时,发光二极管V3亮 B、当温度低或光线暗时,发光二极管V3亮 C、滑动Rp能调节光线的设定值 D、当V3发光时,V1、V2都处于导通状态
    (2)、电路调试过程中,发现v3 始终不发光,小明用多用电表直流电压档检测电路,以下分析合理的是(  )
    A、测量电路1和2两点之间的电压,改变外界温度和光照,读数无变化,说明电路的 输入部分有故障 B、测量三极管V1的Uce,则红表笔接在三极管的集电极,黑表笔接在发射极 C、测得三极管V2的Uce很小时,V3仍不发光,则有可能R3的阻值太大了 D、测得3、4两点之间的电压为3V时,V3仍不发光,则有可能V3内部断开了
  • 4、要使下列三个逻辑电路的输出相同,则A、B应取(  )

     

    A、A=0,B=0 B、A=0,B=1 C、A=1,B=0 D、A=1,B=1
  • 5、排除故障后,多用电表测量结果如图所示,下列关于V1工作状态的判断中,正确的是(  )

    A、饱和状态 B、放大状态 C、截止状态 D、条件不足,无法判断
  • 6、如图所示四履带月球车,由四履带移动系统、可分离检测系统和多功能机械臂系统等构成。行走在沙石地面时,履带悬臂子系统会抬起适当高度,保护车身;内部的检测机器人可从月球车分离,体型小巧,能探测月球车难以到达的区域;多功能机械臂由机械臂和装载转盘组成,转盘上载有机械爪、摄像头、铲斗和钻头四个构件,可实现挖掘、抓取、探测等工作。请完成问题。

    (1)、从系统角度分析,下列对月球车的分析不正确的是(  )
    A、当机械臂出现问题时,月球车不能实现挖掘、抓取、探测等功能,体现系统的整体性 B、履带悬臂子系统根据沙石地面情况抬升月球车高度,体现该子系统的目的性 C、优先使用机械臂探测,难以探测时改用检测机器人探测,体现系统分析的综合性原则 D、月球车上设备的空间分布、各部分的重量等都是系统优化的影响因素
    (2)、月球车检测到研究对象时,控制台发出指令,电机运转,机械臂与装载转盘旋转后对齐,以便更换构件。以下关于该控制系统的描述,说法正确的是(  )
    A、控制台输出的信号是控制量 B、机械臂与装载转盘是被控对象 C、该控制过程存在反馈 D、检测到研究对象的信号属于干扰因素
  • 7、如图所示的传动机构,连杆之间用销钉连接,电机通过转轴带动杆1转动,再通过杆2、杆3、杆4传动,控制阻尼滑块在导轨上往复运动。关于该传动机构下列说法错误的是(  )

    A、各连杆之间、电机与连杆1的连接都是铰连接 B、杆2、杆4在传动过程中受拉或压 C、杆1、杆3在传动过程中受弯曲 D、销钉在传动过程中受剪切
  • 8、小明设计了一个如图2的销轴支架,图1是其平面加工图。设计要求明确安装销轴的二个通孔需保持水平对齐。请回答问题

    (1)、如图所示的加工图中,漏标尺寸有几处(不考虑弯折尺寸)(  )
    A、1处 B、2处 C、3处 D、4处
    (2)、用大小合适的铝板加工图所示支架,下列加工流程最合理的是(  )
    A、划线→锯割→钻孔→锉削→弯折→钻孔 B、划线→钻孔→锯割→锉削→弯折→钻孔 C、划线→钻孔→锯割→锉削→弯折→划线→钻孔 D、划线→钻孔→锯割→弯折→锉削→划线→钻孔
    (3)、关于图2销轴支架加工过程的描述,下列选项中不正确的是(  )
    A、钻孔后不需要倒角 B、安装销轴后,为防止销轴滑脱,应安装开口销 C、锉削时工件表面划痕明显,应及时用毛刷刷去锉刀表面的锉屑 D、加工该工件不需要使用圆锉
  • 9、如图所示为凸轮结构,电动机带动凸轮绕支点单向进行低速圆周转动(凸轮中的孔为支点的安装位置),使滑杆带动平台上下运动,为实现平台运动到最高处停留一段时间后才向下运动,小明构思的下列凸轮现状方案中合理的是(  )

    A、 B、 C、 D、
  • 10、设计儿童安全座椅时需进行盐雾试验,将座椅中易受腐蚀的零部件(主要指座椅中的金属部件)在特制的盐雾试验箱中持续放置50h±0.5h,测试零部件的特性变化和腐蚀情况。该试验方法属于(  )
    A、虚拟试验法 B、模拟试验法 C、强化试验法 D、优选试验法
  • 11、如图所示的烘鞋器,将烘鞋器放入鞋内,可快速烘干鞋子。以下说法中错误的是(  )

    A、烘鞋器能方便地放入鞋子,考虑了人机关系高效的目标 B、长度可调,适应不同尺寸的鞋子,考虑了人的动态尺寸 C、形状与鞋子内部空间相匹配,设计分析时考虑了环境因素 D、具有漏电保护功能,考虑了人机关系安全的目标
  • 12、小明设计了一个能实现“点动”功能的光控报警电路。当用手电筒照射一下光敏电阻RG,蜂鸣器HA持续发出报警声,再照射一下,蜂鸣器停止报警。请根据电路图及其描述完成以下任务。

    (1)、当蜂鸣器报警时,三极管V1处于状态(在“A .导通;B .截止;C .不能确定”中选择合适的选项,并将序号填写在横线处)
    (2)、小明对设计好的电路进行调试。发现用手电筒照射光敏电阻RG,蜂鸣器能够报警,但只要手电筒一移开,蜂鸣器马上就停止报警。造成该故障现象的原因不可能是(在“A .继电器故障;B .常开触点J虚焊;C .V2击穿;D 、C1短路”中选择合适的选项,将序号填写在横线处)
    (3)、电路中直流电磁继电器的选择,需要考虑的因素有(在“A .电路的电源电压和能提供的最大电流;B .输出电路中的电压和电流;C .被控电路需要几组、什么形式的触点;D .装置容积的大小”中选择所有合适的选项,并将序号填写在横线处)
    (4)、测试过程中,由于不小心损坏了继电器,小明准备用一只三极管和一只电阻来替换继电器并实现电路原有功能。请你帮助小明重新设计电路,完成虚线框中的电路连线。

  • 13、请补全三视图中所缺的三条图线(超过三条图线倒扣分)

  • 14、小明想设计一款可靠可躺的椅子(如图所示),通过对椅背位置以及倾角的调节实现多功能转换,以满足不同的使用需求。已知椅背、椅座支承部分的材料为钢材。

    请你帮助小明设计椅背和椅座的连接部分,设计要求如下:

    ⑴椅背能够实现前后位置可调,并且连接可靠;

    ⑵椅背倾角可调,结构稳定,受力后不致倾倒;

    ⑶连接件材料为钢材,辅助材料自选。

    请根据描述和设计要求完成以下任务:

    (1)、①画出设计草图(重点表达你的设计,椅背与椅座的连接结构),必要时可用文字加以说明;

    ②在设计草图上标注出主要尺寸;

    (2)、构思椅背与椅座的连接方案时,不需要考虑的是(在“A .椅座的材料及相关尺寸;B .椅背的材料及相关尺寸;C .用户使用时(调节椅背位置和倾角)要方便操作;D .椅座的强度;E .椅背角度调节后姿态稳定,不易翻倒;F .椅子的颜色”中选择合适的选项,将序号填入横线处)。
    (3)、制作完成后,小明为了检验是否达到设计要求,进行了以下技术试验,其中不合理的是(在“A .测试椅背能否方便地前后移动,并能固定;B .测试椅背角度调节是否方便顺畅;C .用榔头敲击椅背,观察椅背在受外力作用下是否会倾倒;D .放倒椅背,观察人能否舒适地躺卧在椅子上”中选择合适的选项,将序号填入横线处);
  • 15、如图所示是在印刷电路板上焊接元器件所需的各项操作。请完成以下任务:

    (1)、完成焊接工作,合理的操作流程为:A→B→→C→H→D→G→→J(在横线处填写字母序号)
    (2)、元器件体积有大有小,有高有低。为了方便地完成焊接操作,焊接元器件通常应按照的顺序进行。(在A .先小后大;B .先大后小;C .先高后低;D .先低后高 中选择合适的选项,并把序号填写在横线处)

    (3)、焊接时,要将印刷电路板上焊错的电阻拆下,以下方法中合理的是    
    A、用剪刀直接剪断电阻的两个引脚 B、用美工刀逐渐刮掉焊点,直至电阻可拆下 C、用电烙铁加热焊点至融化,用吸锡器逐渐吸除焊点锡料,重复操作直至电阻可拆下
  • 16、如图所示的灯控电路,通过S1开关来控制LED1的亮灭。下列分析中不正确的是(  )

    2脚

    6脚

    3脚

    <12Vct

    <Vct

    高电平

    >12Vct

    >Vct

    低电平

    >12Vct

    <Vct

    保持

    A、当按下S1开关,LED1灯亮,松开S1后,LED1灯延时熄灭 B、电容C1虚焊,会造成松开S1后,LED1灯马上就灭 C、S1开关长时间未按下时,555芯片6脚电位为高电平 D、调节RP1的电阻值,能够改变LED1的亮灯时长
  • 17、下列四个逻辑电路图中与表达式 YA+B¯ 的逻辑关系不一致的是(  )
    A、 B、 C、 D、
  • 18、如图所示的光控电路,下列对该电路的分析中错误的是(  )

    A、光照增强时,LED2先熄灭 B、光照逐渐变弱时,三极管V2比V1更早进入饱和状态 C、当LED2逐渐变亮时,三极管V1、V2一定处于放大状态 D、RG虚焊时,三极管V1、V2则处于导通状态
  • 19、小明在电子实践活动课上要搭建电容充放电电路,图中轻触开关SB1、SB2的实物图是(  )

    A、 B、 C、 D、
  • 20、如图所示是变频调速恒压供水控制系统示意图。系统工作时,通过安装在出水管网上的压力传感器,把出水口的水压信号传输到控制器,与事先设定好的相关参数进行比较处理运算后,控制器向电动机发出变频调速指令,改变电动机的转速,从而调节水泵的出水流量,以实现恒压供水。请根据题图及其文字描述,完成问题

    (1)、从系统角度分析,下列分析中不正确的是(  )
    A、恒压供水控制系统由压力传感器、控制器、电动机、水泵、水压表等部件组成 B、设计该系统时,要从整体出发,以实现系统整体功能最优为目的 C、系统能够根据用水量的变化来自动调节水泵的出水流量,体现了系统的动态性 D、在进水口处增设压力传感器,有助于提高系统的控制精度
    (2)、该控制系统中对用户管网水压的控制精度没有影响的是(  )
    A、水压的设定值 B、控制器的性能 C、水泵的性能 D、压力传感器的灵敏度
上一页 753 754 755 756 757 下一页 跳转