• 1、某支撑横截面相等的钢梁结构中,梁的中间和两端同时受到力F的作用,下列是四种支撑方案,从强度角度考虑,较合理的是(  )
    A、 B、 C、 D、
  • 2、作业性质是确定站姿或坐姿状态下作业面高度的重要依据。如图所示的站姿作业中,适合木工凿削作业的工作台是(  )

    A、a图 B、b图 C、c图 D、都可以
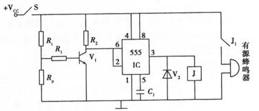
  • 3、【加试题】如图是小明设计的高温报警器电路原理图,当温度达到或超过设定值时,蜂鸣器发出报警声。555集成电路的输入输出特性:2脚的电位低于Vcc。的三分之一时,3脚输出高电平;2脚电位高于Vcc的三分之一,且6脚电位高于Vcc的三分之二时,3脚输出低电平。请根据描述和电路图完成以下任务:

    (1)、根据电路功能要求,R1应选择(在A .正温度系数热敏电阻;B .负温度系数热敏电阻中选择正确的一项填入横线中);
    (2)、在测试电路时,小明用万用表测得三极管V1的集电极和发射极之间的电压是0.2V,此时三极管V1处于状态(在A .截止; B .放大; C .饱和中选择正确的一项)
    (3)、小明测试电路时,发现蜂鸣器始终不响,下列原因中可能的是(在A .三极管V1被击穿后短路; B .二极管V2虚焊; C .电阻Rp短路中选择正确的一项填入横线中);
    (4)、小明测试电路时,发现温度还未达到设定温度时就已经报警,为了实现设定温度报警,则可以(在A .减小R1;B .调小Rp;C .调大Rp中选择正确的一项填入横线中);
    (5)、在测试过程中,小明将555集成电路损坏,准备用三极管来代替。请你帮助小明选择一个合适的三极管(NPN型或PNP型),采用共发射极接法在如图所示的虚线框中画出三极管,并选择合适的接线端完成电路的连线,要求保持电路原有的功能。

  • 4、如图所示为NE555控制的闪光灯电路及NE555的内部电路图,当开关K闭合时,LED闪烁;当开关K断开时,LED不发光。根据电路及描述完成以下各题。

    (1)、要使LED闪烁的频率变小,可将电容器C1更换为_____。
    A、 B、 C、
    (2)、小陈调试电路时,闭合开关K,发现LED灯长亮。导致这一故障的可能原因是(从A .3脚虚焊;B .Rp1虚焊;C .7脚虚焊中选择一项)。
    (3)、在原电路的基础上,小陈将其改造成由光敏电阻Rg控制的光控灯电路(如图所示),该电路可以实现的功能(从A.实际环境亮度低于设定亮度时,LED闪烁;B.实际环境亮度高于设定亮度时,LED闪烁中选择一项)。要调低设定检测亮度,应该(从A .增大Rp3的阻值;B .减小Rp3的阻值;C .减小Rp1的阻值中选择一项)。

    (4)、小陈重新设计了输入部分电路,并尝试实现在夜晚房门被打开(干簧管簧片分开)时LED闪烁报警的功能。请帮助他完成虚线框内电路的连线(虚框内所有元器件必须使用)。

  • 5、塑料薄膜制成的育秧棚往往因棚内湿度过高影响秧苗的正常生长,如图1所示是小明设计的育秧棚湿度指示电路,其中湿度传感器RH和Rp、R1、R2组成湿度检测电路,RH的阻值随湿度的增加而减少;IC是运算放大器,当V+>V_时,6脚输出高电平;当V+<V_时,6脚输出低电平。根据描述和电路图,请完成下列任务。

    图1

    (1)、电路测试中,小明调节图中的电位器Rp , 当秧棚内的湿度超过设定值时,发光二极管亮(在A .VD1;B .VD2;C .VD1和VD2中选择合适的选项,将序号填写在横线处)。
    (2)、小明在调试电路过程中,不小心损坏了三极管VT1 , 他准备用手头上的PNP替代原电路中的VT1 , 请你帮助他在图2的虚线框中选择合适的端点完成电路。

    图2

    (3)、小明想利用现有的一个额定工作电压为9V的继电器和二极管连接到电路中,增加电路的排湿功能,当秧棚内湿度超过设定值时能启动交流220V的风扇电机工作,及时给秧棚排湿;湿度在正常范围时,电机停止工作。请你帮助小明在图3的两个虚线框中完成电路连接。

    图3

    (4)、其他同学认为小明设计的电路中输入部分太复杂,他们准备只用湿度传感器RH、电位器Rp和三极管重新设计电路来实现小明设计原电路的湿度指示功能,请你帮助他们在图4的虚线框中完成电路连接。

    图4

    (5)、请你分析上一小题中重新设计的电路与原电路相比(在A .功能完全一样;B .湿度的设定范围不一样;C .VD1和VD2可以同时亮中选择合适的选项,将序号填写在横线处)。
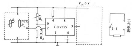
  • 6、小明设计一个热带鱼鱼缸水温控制器,控温要求23~27℃,由于器材短缺,需要克服许多问题,请你来试试。
    (1)、小明的手上只有两只实验用的热敏电阻,一只PTC正温度系数,-只NTC负温度系数;他使用的继电器工作电压为4.5V,吸合电压为3.5V,吸合电流为20mA;用555芯片控制,功能参数如图,请你根据芯片逻辑功能,完成虚线框中电路连接。

    NE555工作电压5~18V,最大输出电流200mA

    CB7555工作电压4.5~16V,最大输出电流4mA

    输入

    输出

    2脚

    6脚

    4脚

    3脚

    >1/3VCC

    >2/3VCC

    低电平

    >1/3VCC

    <2/3VCC

    保持

    <1/3VCC

    x

    高电平

    x

    x

    低电平

    (2)、实际测试时,未经调试系统可控水温范围20~30℃,为符合设计要求,应调节R1电阻 , R2电阻(在“A .增大;B .减小;C .不变”中选择合适的选项,将序号填入横线处)。
    (3)、小明用另一块CB7555的芯片插入原NE555的位置,查遍原因电路都不工作。请教老师,老师说查一下芯片的技术参数,设计改进输出端。请你帮小明完成相关设计。

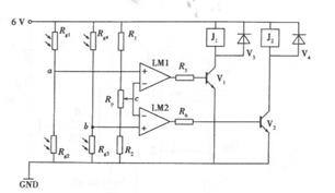
  • 7、【加试题】目前,多数太阳能电池发电板都是固定安装的,导致太阳能利用不充分,为此小明设计了太阳能跟踪系统,如图所示,其原理是当光线与电池板不垂直时,传感器盒内的光敏电阻接收到光线变化,从而控制电机转动,实现跟踪。请根据电路原理和描述完成以下任务:

    (1)、当太阳向西斜,传感器接收到的光较弱,三极管的状态是(在A .V1导通、V2截止;B .V1导通、V2导通;C .V1截止、V2截止;D.V1截止、V2导通中选择合适的选项,将序号填写在横线处),电机带动太阳能电池板向西转动;
    (2)、乌云突然飘过挡住光,则三极管V,集电极的电位将(在A .升高;B .降低;C .基本不变中选择合适的选项,将序号填写在横线处),导致太阳能电池板跟踪受到干扰。
    (3)、为了解决上述干扰问题,小明重新设计了电路和传感器盒,如图所示,电路中用四个光敏电阻,分别装在传感器盒内的东西两侧。当太阳自东向西运动时,东侧光敏电阻接收到的光增强。当电流从上往下流过电机时,电机正转,太阳能电池板向西运动。(LM1和LM2的特性关系是:V+>V_时,输出高电平;V+<V_时,输出低电平。)

    电机正转时,电路中a、b、c三点的电位关系是(在A .Va>Vb>Vc;B .Va>Vc>Vb;C .Vc>Va>Vb;D .Vc>Vb>Va中选择合适的选项,将序号填写在横线处);

    (4)、装在东侧的光敏电阻是(在A .Rg1、Rg2;B .Rg1、Rg3;C .Rg2、R Rg3﹔D .Rg2、Rg4中选择合适的选项,将序号填写在横线);
    (5)、小明在装配电路时发现没有NPN型三极管,就用PNP型三极管对电路重新设计。请在如图所示的两个虚线框内完成连线(采用共发射极接法),实现原电路功能。

  • 8、【加试题】如图所示是利用JN6201设计的视力保护提醒电路,JN6201芯片有14个脚,其中1、2、3、4脚为输入端,6脚接地,7脚接电源正极,14脚为其中一个输出端,当3和4脚中有一个脚输入高电平信号时,14脚输出音频信号。该电路在检测到环境光线过亮或者过暗时,14脚输出音频信号,喇叭发出声音。下列关于该视力保护提醒电路的说法中,不正确的是(  )

    A、R2检测光线亮度的下限,R3检测光线亮度的上限 B、调试时发现,环境光线很亮时报警器还未报警,应该将Rp2调小 C、调试时发现,环境光线很暗时报警器还未报警,应该将Rp1调小 D、合上开关,不管光线过亮还是过暗,喇叭都未发出声音,可能是三极管烧坏了
  • 9、【加试题】如图所示为小陈设计的温控电路,当温度低于下限时,电热丝加热升温,当温度上升到上限时,电热丝停止加热。已知Rt为负温度系数热敏电阻,继电器J有两个常开触点J-1、J-2,NE555的功能表如图所示。下列分析错误的是(  )

    输入

    输出

    2

    6

    3

    >1/3Vcc

    >2/3Vcc

    >1/3Vcc

    <2/3Vcc

    保持

    <1/3Vcc

    <2/3Vcc

    A、温度低于下限时,3脚输出高电平 B、增大Rp2的阻值,可调高温度上限 C、电热丝加热时,J-2处于闭合状态 D、调节Rp1的阻值对温度上下限均有影响
  • 10、【加试题】如图所示是光照变化报警电路,其中电路中555芯片功能特性如表格所示,试确定它能实现的功能(  )

    555芯片功能特性

    输入

    输出

    2脚

    6脚

    4脚

    3脚

    >1/3Vcc

    >2/3Vcc

    低电平

    >1/3Vcc

    <2/3Vcc

    保持

    <1/3Vcc

    x

    高电平

    x

    x

    低电平

    A、光变强,铃延时后一直响 B、光变弱,铃延时后一直响 C、光变强,铃马上响一阵子 D、光变弱,铃马上响一阵子
  • 11、【加试题】如图所示为小明设计的门控灯电路,开门时电灯点亮;关门后,延时一段时间自动熄灭。干簧管在门打开时断开,关闭时闭合。下列说法中错误的是(  )

    555芯片功能表

    4脚

    2脚

    6脚

    3脚

    0

    任意

    任意

    0

    1

    <1/3Vcc

    <2/3Vcc

    1

    >1/3Vcc

    >2/3Vcc

    0

    >1/3Vcc

    <2/3Vcc

    保持

    A、合上S白天开门时,电灯H不会点亮 B、继电器吸合时,F点电位不一定小于1/3Vcc C、二极管V4的作用是保护三极管V3 D、适当调大R4的阻值,可增加延时时间
  • 12、【加试题】如图所示是小明设计的简易门铃电路。下列说法中错误的是(  )

    A、电路中的蜂鸣器是有源蜂鸣器 B、按下按钮SB时,蜂鸣器响,松开后有延时效果 C、蜂鸣器响的时候,三极管V始终处于截止状态 D、将电路中的两个与非门改为或非门,其余元件不变,电路功能不变
  • 13、【加试题】半加器电路是实现两个一位二进制数的加法运算电路,如图为半加器的逻辑真值表。以下逻辑电路能实现半加器功能的是(  )

    输入端

    A

    输入端

    B

    进位输出

    C

    加位输出

    S

    0

    0

    0

    0

    0

    1

    0

    1

    1

    0

    0

    1

    1

    1

    1

    0

    A、 B、 C、 D、
  • 14、【加试题】如图所示是一密码锁控制电路。开锁条件是:拨对密码,钥匙插入锁眼将开关S闭合。当两个条件同时满足时,开锁信号为1,将锁打开。否则报警信号为1,接通警铃。试分析密码ABCD是多少(  )

    A、1001 B、1011 C、0011 D、1100
  • 15、学了电子控制技术后,小杨和小明打算在各自的家门上安装门控夜明灯电路,实现光线暗时打开门,灯自动点亮,光线亮时,即使门打开,灯也不会亮。请完成蚊题。
    (1)、【加试题】小杨用三极管电路来实现以上功能,以下电路恰当的是(  )
    A、 B、 C、 D、
    (2)、【加试题】小明通过逻辑门电路来实现以上功能,电路如图乙所示,虚线框内尚缺逻辑电路部分。有如图甲所示4个组合,小明可以选用的电路是(  )

    A、①或③ B、①或④ C、②或③ D、②或④
  • 16、【加试题】如图连接电路,开关闭合为1,断开为0,能触发LED亮的状态是(  )

    A、S1=1,S2=1 B、S1=1,S2=0 C、S1=0,S2=1 D、以上都可以
  • 17、【加试题】如图所示的电热水器温度控制电路,R1是负温度系数热敏电阻。只有水箱中有水且水温低于设定值时,才会开启加热。下列逻辑电路中不能实现虚线框中逻辑关系的是(  )

    A、 B、 C、 D、
  • 18、【加试题】如图所示是小陈设计的电路,当光照减弱时,LED1、LED2逐渐发光,下列分析中正确的是(  )

    A、光照减弱时,LED1先发光 B、三极管V2比V1更早进入饱和状态 C、当LED1逐渐变亮时,三极管V1、V2一定处于放大状态 D、Rg断路时,三极管V1、V2处于截止状态
  • 19、如图所示是小明搭建的温控与光控电路,其中Rt是负温度系数的热敏电阻,分析该电路,请完成问题。

    (1)、【加试题】对该电路的分析和描述,下列说法不正确的是(  )
    A、当温度低且光线暗时,发光二极管V3 B、当温度低或光线暗时,发光二极管V3 C、滑动Rp能调节光线的设定值 D、当V3发光时,V1、V2都处于导通状态
    (2)、【加试题】电路调试过程中,发现V3始终不发光,小明用多用电表直流电压挡检测电路,以下分析合理的是(  )
    A、测量电路1和2两点之间的电压,改变外界温度和光照,读数无变化,说明电路的输入部分有故障 B、测量三极管V1的Uce , 则红表笔接在三极管的集电极,黑表笔接在发射极 C、测得三极管V2的Uce很小时,V3仍不发光,则有可能R3的阻值太大了 D、测得34两点之间的电压为3V时,V3仍不发光,则有可能V3内部断开了
  • 20、【加试题】如图是小明设计的高温报警器电路原理图,当温度达到或超过设定值时,蜂鸣器发出报警声。555集成电路的输入输出特性:2脚的电位低于Vcc的三分之一时,3脚输出高电平;2脚电位高于Vcc的三分之一,且6脚电位高于Vcc的三分之二时,3脚输出低电平。请根据描述和电路图完成以下任务:

    (1)、根据电路功能要求,Rt应选择 (在“A.正温度系数热敏电阻; B.负温度系数热敏电阻”中选择正确的一项填入中);
    (2)、在测试电路时,小明用万用表测得三极管V1的集电极和发射极之间的电压是0.2V,此时三极管V1处于状态(在A .截止;B .放大;C .饱和中选择正确的一项填入横线中);
    (3)、小明测试电路时,发现蜂鸣器始终不响,下列原因中可能的是(在A .三极管V,被击穿后短路;B .二极管V2虚焊;C .电阻Rp短路中选择正确的一项填入横线中)。
    (4)、小明测试电路时,发现温度还未达到设定温度时就已经报警,为了实现设定温度报警,则可以(在“A.减小R1;B.调小Rp;C.调大Rp”中选择正确的一项填入横线中);
    (5)、在测试过程中,小明将555集成电路损坏,准备用三极管来代替。请你帮助小明选择一个合适的三极管(NPN型或PNP型),采用共发射极接法在下图的虛线框中画出三极管,并选择合适的接线端子完成电路的连线,要求保持电路原有的功能。

上一页 740 741 742 743 744 下一页 跳转