• 1、如图所示为太阳能自动追光系统。主要分为三个模块,电路正常工作时,先由光电传感器电路检测到光信号,经过转换电路输出高低电平信号。单片机接收相应电信号,判断出是否检测到光,然后将控制信号输出到步进电机驱动芯片内,从而控制步进电机的转速和转角,实现太阳能电池板实时追踪光心。根据电路及描述完成问题。

    (1)、下列关于该太阳能自动追光系统,从系统的角度分析,下列说法中正确的是(  )
    A、多个部件共同构成了有机整体,体现了系统的相关性 B、当单片机出现故障时停止工作时,电动机也跟着停机,体现了系统的动态性 C、在系统优化的过程中,检测到的外界光线信号属于约束条件 D、在使用系统时,单片机要实时处理和计算传感器采集的信息,体现了系统分析的科学性原则
    (2)、从控制角度分析,下列说法中正确的是(  )
    A、该系统的控制手段是开环控制系统 B、步进电机的转速和转角是被控量 C、光电传感器电路检测到光信号是输入量 D、单片机处理器参与了检测与反馈过程
  • 2、如图所示是危险废物填埋场渗滤液处理流程,下列关于该流程说法正确的是(  )

    A、冷却结晶环节和生化处理环节是串行 B、气浮分离环节和蒸发浓缩环节属于并行环节 C、该流程的产物不止一个,所有产物可以再利用 D、离心分析和气浮分离环节的时序不能颠倒
  • 3、如图所示结构,立柱利用膨胀螺栓固定在墙壁上,在转动件上施加力F时,下列说法正确的是(  )

    A、转动件受拉,支撑件受拉 B、转动件与支撑件之间的连接不是铰连接 C、铆钉受拉,支撑件受弯曲 D、转动件与立柱之间的连接件是刚连接
  • 4、按1:2比例的绘制了如图零件的三视图,关于尺寸标注说法正确的是(  )

    A、该零件的实际高度为18mm B、两个20标注都正确 C、要加工该零件还需标注5个尺寸 D、36和R8标注错误
  • 5、如图所示毛巾架,要求不使用时能向上翻转靠在墙面上,使用时能水平牢固放置,不下翻,下列方案中最不合理的是(  )

    A、 B、 C、 D、
  • 6、如图所示是一款被使用者称为“漂亮得不像实力派”的充电式LED小台灯和坐标图, 下列对该台灯设计分析及评价不合理的是(  )

    A、属于设计结果的评价,评价的依据采用了设计的一般原则 B、环形设计,光照均匀少重影,灯光柔和不刺眼,考虑了人的因素 C、底部橡胶垫设计,增大与桌面的摩擦,夹子夹持稳固,考虑了环境的因素 D、经济原则差,但市场价值高
  • 7、如图所示是折叠手杖椅,从人机关系角度分析,下列尺寸中主要与使用者的静态尺寸无关的有(  )

    ①12.7cm;②22cm;③85cm;④51cm;⑤16cm;⑥37.5cm

    A、①③⑤ B、④⑤ C、①⑤⑥ D、⑤⑥
  • 8、如图是一款绿色自行车。车轮内置电池、马达等装置,使自行车在上坡或阻力增大时,能自动启动智能动力系统,调整动力补给。下列关于该自行车的说法正确的是(  )

    A、设计中采用了内置电池,说明了设计是技术成果转换的桥梁与纽带 B、该自行车将人力与电力结合,体现了技术的综合性 C、智能动力系统的使用,考虑了技术的实用性 D、该自行车倡导绿色出行理念,体现了技术解放人的作用
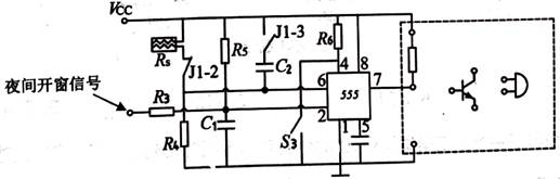
  • 9、小王利用所学知识为学校机房窗户设计了如图a所示控制电路;可实现白天下雨自动关窗和夜间开窗自动报警功能。电路中部分工作原理说明如下:闭合总开关S1 , 555芯片2脚会接收到一个短暂的低电平,J1-3吸合时555芯片6脚会收到一个短暂的高电平;电机M工作时带动传动机构关闭窗户,关窗时会触碰到开关S2使其断开,需手动才能闭合;窗户未关时干簧管G1断开,关闭时G1闭合;Rs为负特性湿敏电阻,接收雨水信号;Rg为光敏电阻,接收窗外环境光照信号;555芯片内部电路和功能表如图b所示。根据电路图和描述完成下列任务。

     

    555芯片电路输入与输出关系表

    输入

    输出

    2

    6

    4

    3

    7

    x

    x

    低电平

    低电平

    低电平

    >1/3Vcc

    >2/3Vcc

    高电平

    低电平

    低电平

    >1/3Vcc

    <2/3Vcc

    高电平

    保持

    保持

    <1/3Vcc

    x

    高电平

    高电平

    悬空

    (1)、夜间报警时,小王想手动停止报警,合理的操作是 (在A .打开S3;B .闭合S3选择合适的选项,将序号填写在横线处)。
    (2)、利用不超过三个2输入或非门,设计图a虚线框位置的电路,实现上述功能。
    (3)、调试电路时发现白天下雨时始终不能自动关窗,下列原因中不可能造成该现象的是(在A .7脚虚焊;B .Ra阻值过大;C .电容C1连焊中选择合适的选项,将序号填写在横线处)。
    (4)、小王在测试过程中不小心折断了555的3脚,决定只保留夜间开窗报警功能,并用7脚控制,请帮助小王完成虚线框中的连线,三极管可实现工作在饱和状态。

     

  • 10、请补全三视图中所缺的三条图线(超过三条图线倒扣分)。

     

  • 11、小王非常关注新型冠状病毒疫情,通过手机网络搜索发现隔离病房内非常需要无接触式送餐服务。因此想设计一个钢制机械手,帮助完成送餐。小王的初步设计是机架杆固定不动,活塞杆可以在机架杆的导孔中上下运动,抓手与机架杆采用铰连接,负责完成食品袋抓取。请帮助小王完成该机械手的连接件设计,实现食品袋的抓取功能。设计要求如下:

    A.连接件安装在活塞杆与抓手间,活塞上下运动,抓手具有抓取功能;

    B.可对活塞杆与抓手进行钻孔、开槽和焊接加工;

    C主要材料选用3mmx12mm截面的长钢条;

    D.其它标准件仅有若干M6的螺栓螺母;

    E.结构简单,牢固可靠。

    请根据描述和设计要求完成以下任务:

    (1)、小王发现问题的途径是 (在A .观察日常生活;B .收集信息;C .技术试验与研究中选择合适的选项,将序号填入横线处);
    (2)、设计的连接件与抓手通过M6螺栓螺母形成铰连接,抓手上应该制作(在A .无螺纹通孔;B .螺纹孔中选择合适的选项,将序号填入横线处);
    (3)、①画出连接件的设计草图,必要时用文字说明;

    ②标注主要尺寸并用箭头指示出抓取食品袋时,活塞杆的运动方向;

    (4)、设计、制作并安装连接件后准备进行机械手功能测试,以下技术试验合理的是(在A .适当晃动抓手与机架杆,观察铰连接是否会松脱;B .控制活塞杆伸缩,观察是否能抓提一定重量的食品袋;C .适当的力弯曲抓手,观察是否变形或折断中选择,将序号填写在横线处)。
  • 12、小王发现妈妈化妆台上的化妆品太多,原有的收纳盒已经放不下,因此想用螺栓螺母和3mm厚铝板给妈妈设计一个化妆品收纳架,课余时间借用通用技术实践室进行加工制作。请完成以下任务。

    (1)、小王在设计制作时会受到各种因素的限制,以下不属于限制因素的是:(在下列选项中选择合适的选项,将序号填写在横线处)。

    A.通用实践室的现有设备;

    B.小王的实践动手能力;

    C.图示中化妆品的重量;

    D.化妆品的数量和种类;

    E.制作材料的价格;

    F.妈妈拆卸收纳架的能力

    (2)、王在加工制作过程中,对放置化妆品的孔口以及铝板的边沿都进行了倒角。关于该工艺操作目的说法正确的是:(在A .为了符合设计的技术规范原则;B .为了符合人机关系的安全目标;C .为了符合设计的美观和经济原则中选择合适的选项将序号填写在横线处)。
    (3)、小王用铝板进行多孔板的加工制作时,合理加工流程为:划线→锯割→ (在A .攻丝;B .锉削;C .圆孔倒角;D .钻孔中选择合适的选项,将编号填写在横线处)。
  • 13、某种疫苗在运输过程中温度不能超过27℃,小王设计了如图所示电路,当温度有出现超过27℃的情况后,V2会点亮报警,其中光敏电阻Rg只能接收到发光二极管V2发出的光线。以下分析错误的是(  )

    A、Rt为负温度系数热敏电阻 B、报警后,若温度降低电路就停止报警,可尝试调大R2 C、报警时,V3一定处于饱和状态 D、电路在高温时V1短路,V2仍能点亮
  • 14、小王发现蔬菜大棚在光线弱且湿度高、光线强且湿度低这两种情况下会不利于蔬菜生长,因此设计了如图所示的报警电路,其中Rg为光敏电阻,Rs为负特性湿敏电阻。根据该电路图及描述,完成问题。

    (1)、为了实现上述功能,图中虚线框处应选用的逻辑门是(  )
    A、 B、 C、 D、
    (2)、以下关于该报警电路的分析,错误的是(  )
    A、将Rs与R1位置互换,Rg和R2的位置也互换,电路无法保持原有功能 B、报警时,同时下移R1、R2的滑动触点,报警可能会停止 C、报警时,同时上移R1、R2的滑动触点,报警可能会停止 D、报警时,随着光线和湿度的变化,报警声音不会变强
  • 15、如图所示为小王同学焊接完成的水位开关控制实验板,下列关于该实验板的分析和操作错误的是(  )

    A、实验板上的继电器为直流继电器 B、在安装焊接未经处理的发光二极管LED前,需判断极性,长管脚为正极,短管脚为负极 C、一只标称为104的瓷片电容器,其容量为0.1μF D、焊接A,B两个焊点时,先将焊锡熔化在电烙铁上,再用电烙铁把焊锡均匀涂在A,B两点引脚四周
  • 16、如图所示是四旋翼无人机的“大脑”——飞行控制系统,工作时多种传感器实时接收飞行器的姿态和位置等数据,并传输给控制模块,控制模块根据飞行控制算法,解算出各执行机构的控制量并驱动电机按期望规律运转,提供给无人机不同的升力以获得各种飞行姿态,从而使四旋翼无人机实现自主飞行。请根据示意图及其描述完成问题。

    (1)、从系统的角度分析,下列说法中不恰当的是(  )
    A、该系统可分为控制模块、传感模块和驱动模块等子系统 B、选择GPS芯片时既要考虑三轴陀螺仪,又要考虑位置控制器 C、设计该系统时,要进行力学分析,并根据系统实际结构建立其动力学方程,体现了系统分析的科学性原则 D、采用模块化设计,提高系统可靠性的同时,方便系统功能的升级,体现了系统的整体性
    (2)、下列属于飞行控制系统反馈信号的是(  )
    A、螺旋桨的转速 B、期望姿态和位置信息 C、实时姿态和位置信息 D、驱动电路中的电压和电流
  • 17、下列加工流程中,部分环节的时序可以颠倒的是(     )
    A、 B、 C、 D、
  • 18、如图所示是一种推杆机构,图示状态下逆时针方向回拉手柄时,手柄通过机座上的销轴回转,并通过销钉带动连杆1,连杆1带动连杆2从而使推杆抵抗阻力F。不考虑杆件自重,以下关于该机构分析正确的是(  )。

    A、逆时针回拉手柄,推杆一直向右移动 B、当连杆1、连杆2和推杆共线时,放开手柄连杆1受弯曲 C、机构在阻力F作用下静止时,连杆2一定受拉 D、机构在运作过程中,顺时针推柄,也可克服阻力F
  • 19、小王准备用2mm厚钢板加工一零件(如图所示),关于该零件加工图的尺寸标注问题分析正确的是(  )

    A、φ24应该标注为R12 B、漏标3处 C、应标注R23圆弧的定位尺寸 D、90°不需要标注
  • 20、通用技术实践课上,小王要用直径为40mm的长铝棒加工一个手柄(如图所示)。请根据图及其描述完成问题。

    (1)、加工该手柄时,下列加工工艺及工具选择无误的是(  )
    A、划线:划针和划规 B、锉削:平锉刀和φ16圆锉刀 C、锯割:手锯和钢丝锯 D、攻丝:M5板牙和台虎钳
    (2)、加工该手柄时,小王进行了下列操作,其中恰当的是(  )
    A、用麻花钻头依次钻出外围圆弧 B、先钻出φ5底孔,倒角后制作M5螺纹 C、划好厚度为12的锯割线后,锯齿压住锯割线进行锯割下料 D、可以用砂纸对手柄周边进行去毛刺处理
上一页 739 740 741 742 743 下一页 跳转