• 1、如图所示为儿童坐姿矫正器,由桌垫和矫正架两部分组成,可根据儿童不同身高,通过调节旋钮实现高度可调,桌垫和矫正架一秒拆卸,操作简单方便,当孩子下巴压到下巴托时,矫正器会发出提醒音。请根据描述,完成以下任务:

    (1)、通过调节旋钮,自由伸缩,可调整高度,以适应不同的使用者,考虑了人机关系的;下巴托采用环保无味的真硅胶制成,实现了人机关系的目标(在A . 动态尺寸;B . 静态尺寸;C . 安全;D . 健康中选择合适的选项,填入横线处);
    (2)、   该坐姿矫正器桌垫设计适用于不同形状不同厚度的书桌,主要是从角度考虑(在A . 人;B . 物;C . 环境中选择合适的选项,填入横线处);
    (3)、该支架可拆卸,可以减少存储和运输空间,体现了设计的原则(在A . 技术规范原则;B . 经济原则;C . 美观原则中选择合适的选项,填入横线处);
    (4)、该矫正器的提醒控制系统的传感器适合选用 (在A . 温度传感器;B . 压力传感器;C . 光敏传感器中选择合适的选项,填入横线处);
    (5)、设计该系统时,不仅要考虑矫正提醒功能,还要考虑产品方便维护,控制制作成本等方面,体现了系统分析的 (在A . 综合性原则;B . 整体性原则;C . 科学性原则中选择合适的选项,填入横线处);
  • 2、三视图补线:请补全三视图中所缺的三条图线(超过三条图线倒扣分)

  • 3、如图所示是小明家奶茶店的电视机(3.92kg),为了更好的展示效果需要挂得高一点。但是原装电视机挂架角度不可调节,安装后电视画面太高,视角不佳。该挂架由挂架底座和电视挂钩组成,挂架底座固定到墙上,电视挂钩装在电视机背面,直接挂到底座上缘,即可完成挂装。已知电视挂钩宽度为30mm,挂钩的侧壁宽度为20mm,小明已经在侧壁上钻了两个直径为4mm,相距20mm的孔。请帮助小明设计一个挂架底座与电视挂钩之间的连接件,实现电视机角度可调,并满足以下要求:

    A.不得拆下挂架底座或对底座进行任何改造

    B.能使电视画面从与墙壁平行到前倾30°范围内连续方便调节

    C.连接件装到电视挂钩侧壁后仍然是挂装到底座的上边缘且牢固可靠

    D.所用主材料为2mm厚,足够大的钢板,其余辅料自选

    (1)、小明发现电视朝向不可调的途径是(在A . 技术研究与技术试验;B .观察日常生活;C . 收集和分析信息中选择合适的选项将序号填入横线处)
    (2)、将底座与水泥墙连接,以下连接件最合适的是        
    A、 水泥钉 B、 紧定螺钉   C、 塑料膨胀管和自攻螺钉 D、 元宝螺栓
    (3)、小明准备对安装后的连接件做以下试验,其中不合理的是 (A . 为防止电视意外掉下损坏,将与电视相同质量的物品挂到底座测试底座与墙连接是否牢固;B . 轻轻摇晃电视,检验挂钩连接是否扎实稳固;C . 调节电视机朝向,看是否可以在相应角度范围内连续调节;D . 调节电视机朝向,检验电视机在不同角度时能否固定中选择合适的选项将序号填入横线处)
    (4)、①画出连接件的设计图,必要时可用文字简单说明。

    ②在设计草图上准确标注连接件的主要尺寸。

  • 4、如图所示为小明设计的连接件,设计要求明确两销轴孔需保持水平对齐,小明打算用大小合适厚为2mm的钢板进行加工制作,请完成以下任务:

    (1)、加工该连接件的合理顺序为:→钻孔→锯割→锉削→(在A. 划线;B. 锉削;C. 弯折;D. 钻孔;E. 倒角中选择合适的选项,填入横线处);
    (2)、加工该零件不需要用的工具是(在A . 铁锤;B . 手钳;C . 圆锉;D . 划规中选择合适的选项,填入横线处)
    (3)、小明想对连接件的安装孔进行倒角处理,操作合理的是(在A . 用平锉刀进行锉削倒角;B . 用圆锉刀进行锉削倒角;C . 用更大尺寸的钻头进行钻孔倒角中选择合适的选项,填入横线处)
  • 5、如图所示为图书馆自动还书分拣系统,由信息扫描仪、电动机、电磁阀、MCU控制器、旋转台、还书箱等部分组成,当信息扫描仪扫描图书上的条形码,MCU将得到的信息与库中所保存的图书信息进行比较,发出指令信号驱动相应电动机的运作,电动滚筒将图书传送到旋转台,根据图书上的条形码的不同,旋转台旋转到相应的角度,电磁阀控制相应的推动气缸将图书推送至不同的还书箱里,从而达到对图书进行分拣的目的。根据描述,完成以下小题。

    (1)、从系统角度分析,下列说法不正确的是(    )
    A、系统能将不同类别的图书分拣,并推送至相应的还书箱,体现了系统的目的性 B、旋转台的旋转角度需通过相应装置分析计算得出,符合系统分析的科学性原则 C、由信息扫描仪、电动机、电磁阀、MCU等部分组成,各部分之间存在相互联系 D、在断电时,能切换至备用电源,并维持系统工作6小时,体现了系统的环境适应性
    (2)、关于该自动还书分拣控制系统,下列说法正确的是(    )
    A、该系统中没有检测装置 B、还书箱为被控对象 C、控制量为MCU控制器发出的信号 D、该控制系统为开环控制系统
  • 6、小明同学网购了一款吸顶灯,他想要安装该吸顶灯,首先切断了电源,后续安装流程环节如图所示,下列正确的安装流程是(    )

    A、①③②⑤④ B、①③⑤②④ C、③①⑤②④ D、③①②⑤④
  • 7、如图所示为瓦楞纸箱加工工艺流程,由瓦楞纸板经过一定的环节加工成型。关于该流程说法正确的是(    )

    A、为实现工期优化,可以将三个粘合环节并一起 B、制版环节和钉箱环节是并行工序 C、烘干环节和印刷开槽环节是串行工序 D、外界温度变化是该流程优化的约束条件
  • 8、如图所示为一款折叠式手机支架,可实现不同角度调节,夹头可夹屏宽9.5cm以内的手机,使用灵活,请完成以下小题。

    (1)、在夹持手机的状态下,下列关于相关构件的受力形式分析正确的是(    )
    A、杆1受压,杆2受拉,夹头受压,销轴受剪切 B、杆1受压,杆2受拉,夹头受弯曲,销轴受剪切 C、杆1受弯曲,杆2受弯曲,夹头受弯曲,销轴受扭转 D、杆1受弯曲,杆2受拉,夹头受弯曲,销轴受剪切
    (2)、关于该手机支架,从结构角度分析,下列说法正确的是(    )
    A、采用铝合金材料,提高了结构的稳定性 B、杆和三角板的连接可以采用紧定螺钉连接 C、将底座改成三角形形状可以提高手机支架的强度 D、支架的安装位置偏离底座中心,提高了使用时的稳定性
  • 9、小明双十一在网上买了一个取暖设备,但收到货后发现少一个如图A所示的挂钩,于是他找来了厚度为2mm的金属片打算自己制作,所有圆弧与直线交界处均为光滑过度,请完成以下小题。

    (1)、图B所示是小明对挂钩的尺寸标注,其中漏标的尺寸个数为(    )
    A、1处 B、2处 C、3处 D、4处
    (2)、关于该挂钩的制作过程,以下说法正确的是(    )
    A、划线过程中需要用到钢直尺、划规、划针、样冲 B、需要用到平锉锉削挂钩的外圆弧,用圆锉锉削腰形槽的内圆弧 C、钻孔时需要戴防护眼镜和手套,并要用手钳夹持工件 D、加工腰形槽时,可先钻孔,再用钢丝锯锯割
  • 10、如图所示是某机械结构,连接点B、C、D处均为铰连接,电动机带动杆1以A点为圆心转动,为实现电动机转动时带动滑竿在滑槽中左右滑动,现需要将杆2进行设计制作后与杆1连接,下列关于杆2的形状设计最合理的是(    )

    A、 B、 C、 D、
  • 11、如图所示为某国产新型步枪,为适应高原实战,设计团队曾深入西藏海拔五千多米的无人区,在低温和稀薄氧气条件下对步枪进行严格的测试。以上所描述的试验方法属于(    )

    A、强化试验法 B、优选试验法 C、移植试验法 D、模拟试验法
  • 12、如图所示是小明的电话手表,具有电话、拍照、上网、游戏、导航、监控心率等功能,价格只需八百,他爸爸的限量款机械表只具备显示时间和日历功能,价格八万。下列说法错误的是(    )

    A、小明的手表功能先进,适应潮流,符合设计的创新原则 B、电话手表充电口选择通用的Type-C接口,符合技术规范原则 C、电话手表的CPU成本低廉,但已经足够满足性能需求,符合设计的经济原则 D、小明爸爸的表功能单一,价格昂贵,不符合设计的实用原则
  • 13、如图所示是一款智能颈椎按摩治疗仪,可通过电脉冲的方式按摩治疗颈部疾病。下列关于该治疗仪的说法正确的是(    )

    A、该仪器脖圈的尺寸能连续调节,适应不同大小的脖子,主要考虑了人的动态尺寸 B、利用电脉冲模拟不同按摩手法,能预防和治疗颈椎病,特别适合“低头族”,考虑了特殊人群 C、该产品采用轻薄材料,时尚新颖,能随时随地放松颈椎,体现了人机关系的高效目标 D、该仪器在切换不同模式时,会发出“嘀”一声提示音,考虑了人机关系的信息交互
  • 14、如图所示是新型食堂智能结算台,消费者只要把菜品放在摄像头下,智能结算台扫描菜品后与数据库对比,并完成自动结账,全程无需工作人员参与。以下关于该技术的说法正确的是(    )

    A、该技术需要互联网、计算机、移动支付等多门学科知识的支持,体现了系统分析的综合性原则 B、使食堂收费窗口无人化,可能导致人员失业,体现了技术的两面性 C、大大缩短了消费者排队付款的时间,体现了技术解放人的作用 D、技术具有专利性,该装置一经发明即可自动获得相关专利
  • 15、小明的书桌上堆满了书,影响了台灯的摆放,他准备设计一个支架,将家中的旧灯头和灯罩安装到水泥墙面上。设计要求如下:

    A.灯头可以在水平方向500mm与竖直方向400mm范围内任意调节(如图所示);

    B.灯头角度可以调整;

    C.支架要可靠地安装在墙面上;

    D.支架材料自选。

    请你帮助小明设计该支架,完成以下任务:

    (1)、设计支架时,下列因素中可以不考虑的是         (在在下列选项中选择合适的选项,将序号填入横线处);
    A、支架与灯头的连接形式 B、小明的身高 C、灯头和灯罩的质量大小
    (2)、①画出总体设计方案的构思草图(用简单线条表示即可),标注主要尺寸,必要时可用文字说明;

    ②对总体设计方案中的安装支座进行详细设计,画出结构设计草图,标注主要尺寸;

    (3)、将支座安装到墙面上,合理的连接件是         (在下列选项中选择合适的选项,将序号填入横线处);
    A、 B、 C、 D、
    (4)、小明准备在支架安装后进行以下试验,其中不合理的是         (在下列选项中选择合适的选项,将序号填入横线处)。
    A、调节支架,观察灯头能否在水平方向500mm 与竖直方向400mm 范围内任意调节; B、扳动灯头,观察角度是否可调; C、在灯罩上施加一定的力,观察支架与墙面的连接是否可靠。
  • 16、通用技术实践课上,小明为了在工件的圆柱面上钻孔,准备设计制作一个简易钻模。钻孔时,工件插入钻模的大孔中,钻头沿着钻模上的小孔在圆柱面上钻孔。请你完成以下任务:

    (1)、在钻模的三视图中,补全俯视图所缺少的图线;

    (2)、如果用38mm×38mm×33mm 的表面不够平整的钢块制作该钻模,合理的加工流程为:A→→ A →(在A. 划线;B. 钻孔;C. 锉削;D. 锯割 中选择合适的选项,将序号填入横线处);
    (3)、在通用技术实践室中制作该钻模,下列加工工艺中,工具选择不合理的是(在A . 冲眼:样冲和铁锤;B . 划线:划针和钢角尺;C . 钻孔:麻花钻和台虎钳中选择合适的选项,将序号填入横线处)。
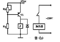
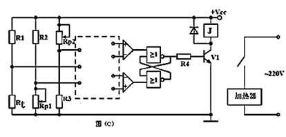
  • 17、如图所示是浇铸机结晶器钢水液位控制系统示意图。浇铸时,中间包连续向结晶器浇注钢水,钢水在结晶器内冷却结晶后被拉埋装置拉出形成钢坯。结晶器内钢水液位的稳定和高低直接影响钢坯的质量和产量。钢水液位波动引起电涡流传感器与液面之间的间隙产生变化,从而引起电涡流信号变化,液位仪根据信号的大小计算出实际液位,送给PLC与液位设定值比较,PLC 根据比较差值通过驱动器控制电动缸运动,带动塞棒升高或降低,改变中间包浇注口的大小,调节流入结晶器内钢水的流量,从而使液位稳定在一定范围内。请根据示意图及其描述完成以下小题。

    (1)、下列关于该系统的分析中,不恰当的是(    )
    A、该系统的主要目的是提高钢坯的质量和产量 B、该系统可分为液位检测子系统和浇注流量控制子系统 C、液位仪将电涡流信号的处理功能从PLC中分离出来,减轻了PLC的负担,提高了系统的工作效率 D、设计该系统时,可首先分別独立设计子系统,安装后再整机调试
    (2)、该控制系统中对结晶器钢水液位控制精度没有影响的是(    )
    A、液位设定值 B、液位仪的性能 C、电动缸的运动精度 D、电涡流传感器的灵敏度
  • 18、如图所示是辊式泡罩自动包装机的工艺流程图。下列对该流程的分析中正确的是(    )

    A、充填与热封合的时序可以颠倒 B、成形、充填、热封合、压印不属于串行工序 C、计量、充填、热封合、覆盖属于串行工序 D、成品与废料不属于并行工序
  • 19、如图所示是一款硬纸板插接而成的可拆卸式桌子,关于该桌子的结构分析中的是(    )

    A、采用插接方式,连接牢固 B、桌子与地面接触形成较大的支撑面,稳定性好 C、桌面采用两层纸板,增加强度 D、中间的支撑板将侧板连在一起,使结构具有较好的稳定性
  • 20、如图所示是一种压紧机构。在力F的作用下,推杆通过摆杆、连杆带动压杆向左运动,将工件压紧。此时推杆、连杆、压杆的主要受力形式是(    )

    A、推杆受压、连杆受弯曲、压杆受剪切 B、推杆受剪切与受弯曲、连杆受压、压杆受压 C、推杆受压与受弯曲、连杆受压、压杆受压与受弯曲 D、推杆受剪切、连杆受剪切、压杆受弯曲
上一页 726 727 728 729 730 下一页 跳转