相关试卷
- 2026年1月浙江省普通高校招生选考科目考试通用技术试卷
- 浙江省浙南名校联盟2025-2026学年高二上学期期中联考技术试题-高中通用技术
- 浙江省桐乡市高级中学2025-2026学年高二上学期12月月考技术试题-高中通用技术
- 浙江省浙东北县域名校发展联盟(ZDB)2025-2026学年高三上学期11月联考技术试题-高中通用技术
- 浙江省宁波中学2025-2026学年高二上学期期中考试技术试卷(学考)-高中通用技术
- 浙江省金兰教育合作组织2025-2026学年高二上学期期中联考技术试卷-高中通用技术
- 浙江省丽水市五校高中发展共同体2025-2026学年高二上学期期中联考技术试题-高中通用技术
- 重庆市黔江实验中学2025-2026学年高三上学期期中通用技术试题
- 浙江省精诚联盟2025-2026学年高二上学期10月联考技术试题-高中通用技术
- 浙江省台州市部分学校2023-2024学年高二上学期学业水平期末考试技术试题-高中通用技术
-
1、如图所示是一款新型的陀螺,内有小电机,可以带动转轮使陀螺自主旋转,该陀螺采用三节7号1.5v干电池供电,装入电池后,按一次开关,指示灯闪烁一下,此时挥手即可启动电机,使陀螺旋转。陀螺旋转时,按一次开关,陀螺停止旋转,进入待机状态;在无任何操作的情况下,陀螺持续旋转30秒后自动停止旋转,进入待机状态。小明打算结合自己所学的电子控制技术知识,尝试制作一个该陀螺功能模型。
请根据以上描述,完成以下各题。
(1)、根据题中功能要求,制作该模型时不需要准备的电子元器件是 (在以下选项中选择合适的一项,将序号填写在横线处)A、
B、
C、
D、
(2)、根据功能描述,你认为以下哪个电路模块最适合应用在模型中 (在以下选项中选择合适的一项,将序号填写在横线处)A、
B、
C、
D、
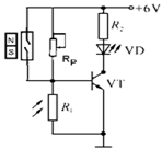
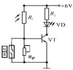
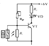
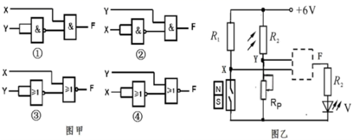
(3)、陀螺旋转时,按一次开关和无操作30秒与陀螺进入待机状态的逻辑关系属于 (在A .“与”逻辑关系,B .“或”逻辑关系,C .“与非”逻辑关系,D .“或非”逻辑关系中选择合适的一项,将序号填写在横线处)(4)、感应单元是一种红外对管(结构如图所示),由红外线发射管和对红外线敏感的光敏二极管组成。没有红外线照射的情况下,光敏二极管处于截止状态;当挥手时,红外发射管发射的红外线遇到手后反射到光敏二极管,光敏二极管形成光电流使光敏二极管导通,A点输出高电平,请结合以上信息设计完成以下电路。
-
2、请补全三视图中所缺的三条图线。
-
3、如图所示为某社区卫生院(图a)采用的点滴架吊杆(图b),上部挂钩与天花板上的吊顶挂钩匹配,把吊杆挂在吊钩上即可使用。小明发现患者站起或走动时容易碰到挂下来的吊杆,而吊杆较长,与挂钩连接点较高,拆装并不容易。因此他想设计一个轨道,可以在吊杆不用的时候,可以把吊杆移动到墙边,使用的时候再拉过来。通过前期市场调查,他打算使用如图c所示的滑轮,尺寸如图d所示,请你帮助他设计一个滑轨。

设计要求如下:
A.滑轮可以方便的装进滑轨中,滑动顺畅,且不会掉出。
B.滑轨与天花板安装方便,连接牢固可靠。
C.滑轨应具有一定的强度。
D.材料采用2mm厚,50mm宽,长度不限的铝合金条。

请根据描述和设计要求完成以下任务:
(1)、①画出滑轨的设计草图,必要时可用文字说明。②在设计草图上标注主要尺寸。
(2)、以下最适合用于把滑轨安装到天花板的标准件是 (选择合适的一项,将序号填写在横线处)①六角螺栓

②紧定螺钉

③自攻螺丝

④塑料膨胀螺丝
(3)、为了检验滑轨是否符合设计要求,以下技术试验不合理的有(选出所有不合理的项,将序号填写在横线处)①吊杆挂到挂钩上用力向下拉吊杆,看吊杆是否会变形。
②把滑轮装进滑轨,观察安装是否方便。
③吊杆挂到挂钩上左右拉动吊杆,看滑动是否顺畅
④安装滑轨,观察安装是否方便。
-
4、如下图甲所示为发动机双弹簧结构气门的结构示意图,乙图为双弹簧结构气门完工图,弹簧用于将向下运动的气门回复到原有状态,双弹簧结构的气门可靠性和功率要高于单弹簧结门。现要将双弹簧气门安装到气门座上,需要经过以下几个环节:A .安装内气门弹簧;B .安装外气门弹簧;C .安装上气门弹簧座;D .安装下气门弹簧座;E .安装气门油封; F .安装气门到气门座上;G .安装气门锁夹。请仔细观察零件结构的组成,回答以下问题:
(1)、合理的装配流程为:F→→→B→→→G(在横线处填写装配环节的序号)。(2)、以下事例体现系统动态性的是(在A .在顶部凸轮作用下气门向下运动,气门打开空气通过气道进入气缸,在弹簧的作用下气门闭合封住气缸。B .因为零件磨损,发动机气门机构之间配合产生了间隙,会造成发动机的气门响。C .因为气缸燃烧室中温度较高,因此气门需要采用耐热合金钢制造中选择合适的一项,将序号填写在横线处)(3)、弹簧的弹力较大,为方便拆装,人们设计如图丙所示气门弹簧拆装工具,利用杠杆原理将弹簧压下,方便气门锁夹的取出。关于该设计主要实现人机关系中的(在A .高效;B .健康;C .舒适;D .安全中选择合适的一项,将序号填写在横线处)目标。 -
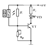
5、[加试题]如图所示的电路,初始时SW1、SW2都处于断开状态,下列分析中正确的是( )
A、初始状态下D1、D2不发光 B、SW1闭合、SW2 断开,D1发光,D2不发光 C、先闭合SW1、再闭合SW2,D1发光,D2不发光 D、SW2闭合后,D1和D2的状态无法判断 -
6、[加试题]如图所示是小明设计的小夜灯电路。已知三极管工作在开关状态,Rg为光敏电阻。下列分析中不正确的是( )
A、S断开时,当光线暗到一定程度时,V4发光 B、S闭合时,V3导通后,V2导通 C、S断开,当V1截止时,V3截止 D、闭合S后,当光线由暗至亮到一定程度时,V4熄灭 -
7、[加试题]下图是某三极管的输出特性曲线图,当K点电压为0.1v时,以下说法中正确的是( )
A、该三极管工作在A区 B、该三极管工作在B区 C、该三极管工作在C区 D、该三极管的工作状态无法判断 -
8、下列有关控制系统说法正确的是( )A、开环控制系统一定没有检测用传感器 B、闭环控制系统中一定存在反馈回路 C、控制器发出的控制信号称为控制量 D、直接对被控对象进行控制的装置或元件称为控制器
-
9、下图所示是一款载人喷气飞板,喷射口会喷射出高速气流,将人员推向空中;采用自平衡技术,通过自动调节喷气推力的大小,控制飞行的速度与高度。下列关于该喷气飞板说法错误的是( )
A、该背包使用一段时间后,续航能力会大幅下降,体现了系统的动态性 B、控制芯片出现故障,导致喷气飞板失控,体现了系统的整体性 C、设计时根据负重计算动力的功率,匹配相应的续航时间,体现了系统分析的综合性原则 D、设计该飞板要先确定单人军用标准,再分析控制、动力等系统体现系统分析整体性原则 -
10、以下四个表演高空走钢丝的项目(鞋子和自行车轮与钢丝接触处都经过特殊处理)中,相对最安全的项目是( )A、
B、
C、
D、
-
11、如图所示为一种窗户开闭结构的示意图,窗户安装在杆1上。在窗户打开状态受外力F的作用下,各构件的主要受力分析正确的是( )
A、杆1受扭转,杆2受压,杆3受压,杆4受压,滑块下移 B、杆1受弯曲,杆2受拉,杆3受压,杆4受弯曲,滑块上移 C、杆1受弯曲,杆2受压,杆3受拉,杆4受弯曲,滑块上移 D、杆1受弯曲,杆2受压,杆3受拉,杆4受弯曲,滑块下移 -
12、请根据下图完成下面小题
(1)、图中漏标的尺寸有( )A、2处 B、3处 C、4处 D、5处(2)、通用技术实践课上,小明用厚20mm的铁板加工该零件,下列工具中不需要的是( )A、划规
B、麻花钻
C、手虎钳
D、方锉
-
13、如图所示是一款摇步器及其评价坐标图,该产品利用物理磁场和计步原理自动实现手机晃动,不用通过真实运动即可达到占领步行排行榜的目的,该产品可用标准的USB接口供电,也可以使用充电电池供电,具有新潮的外观设计。下列对该产品的评价中,正确的是( )
A、评价坐标图采用的评价标准是设计的一般原则 B、该评价是对该产品设计过程的评价 C、该产品除道德标准外其他评价都很好,说明产品较好,可以组织生产。 D、根据评价坐标图可以断定产品的成本较高 -
14、如图所示是一款全新设计的键盘,以下关于该键盘的说法不正确的是( )
A、快捷按钮可以一键打开邮箱,给上网带来便利,实现了高效的目标 B、主键盘中部有块突起,便于手自然的搭在上面,实现了舒适的目标 C、键盘采用黑色和灰色搭配,体现沉稳和庄重,考虑了人的心理需求 D、程序员工作任务重,键盘设计应经久耐用不易损坏,考虑物的因素 -
15、舟山六横某农户选择了原产于中美洲的火龙果在当地试种,试种成功后开始大面积推广种植。该试验方法属( )
A、虚拟试验法 B、模拟试验法 C、优选试验法 D、移植试验法 -
16、2019年5月,华为公司被美国列入出口管制的实体清单,在使用高通、谷歌等美国公司的技术时受限,此举也必将促进我国加大对基础技术等科技研发的投入。从技术的价值和性质角度来分析,以下说法正确的是( )A、美国相关公司垄断其技术,不提供给华为用于生产销售,体现技术的专利性 B、技术可以满足消费者的需求,也会限制同类型企业发展,体现技术的两面性 C、政策引导发展更多的人从事技术创新等相关工作,体现技术对人的发展 D、可以采用逆向工程技术,通过分析现有芯片复制制造手机芯片用于生产销售
-
17、如图所示是一款笔记本电脑桌,桌面是木制材料,桌脚是直径11mm的金属管,使用时发现无法折叠。请对该笔记本电脑桌的桌脚进行重新设计,使其能够实现折叠,所用材料为2mm厚的钢板,其他配件自选。设计要求如下:
设计要求如下:
A.连接件能把桌面和桌脚连接起来,使用时能轻松支起,不用时方便折叠;
B.桌脚支起时,桌脚与桌面角度为100° ;
C.连接件与桌板、桌脚连接后能牢固可靠;
D.结构简单,连接方便。
请根据上述设计要求,完成以下任务:
(1)、①画出连接件的设计草图(其中一个),必要时可用文字说明;②在设计草图上标注连接件的主要尺寸;
(2)、不可折叠的笔记本电脑桌自投放市场以来销路一直不好,根据设计的一般过程评析,这是设计者在设计产品时疏忽了(选择其中一项填在横线处)。①明确问题的价值
②技术试验环节
③制作模型环节
④发现问题环节
(3)、连接件与桌脚可以采用连接(在以下连接件中分别选择一种类型,将序号填写在横线处);①
②
③
④
(4)、根据方案制作连接件后,还需要对其进行技术试验,以下试验不合理的是(选择其中一项填在横线处)。①左右晃动笔记本电脑桌看桌脚连接是否容易松动;
②将笔记本电脑桌支起,在桌面上放重物,观察桌脚是否会损坏;
③将笔记本电脑桌多次支起、折叠,是否灵活、方便;
④将笔记本电脑桌支起,在桌面上放重物,观察连接件与桌面、桌脚的连接是否牢固。
-
18、请补全三视图中所缺的4条图线。
-
19、如图甲所示是某企业生产的一款木塑板防水置物架,请回答下列问题:
(1)、提出如下要求,其中(在“A .采用木塑板,零甲醛,360° 呵护您;B .厂家直销,把优惠送给消费者;C .整体手工打磨,圆润不割手”中选择合适的选项,将序号填入横线处)不是从设计分析“人”的角度考虑;(2)、易打理,污渍轻轻一擦就干净,体现了人机关系的目标有(在“A .高效;B .健康;C .舒适;D .安全”中选择合适的选项,将序号填入横线处) ;(3)、木塑板是一种主要由木材(木纤维素、植物纤维素)为基础材料与热塑性高分子材料(塑料)和加工助剂等,混合均匀后再经模具设备加热挤出成型而制成的高科技绿色环保新型装饰材料,性能与木材相似,如图甲所示圆圈A处的连接,不适宜采用的连接方式是(在“A .榫接;B .自攻螺丝;C .膨胀螺丝”中选择合适的选项,将序号填入横线处) ;(4)、设计要求中要求置物架至少能承重60KG,请你对置物架进行强度试验:①首先,将置物架放在平地上并(在“A .锁紧万向轮锁紧万向轮;B .拆下万向轮”中选择合适的项,将序号填入横线处) ;
②其次,在置物架(图乙)(在“A .位置1;B .位置2;C .位置3”中选择合适的选项,将序号填入横线处)上放置(在“A . 30KG;B . 60KG;C . 90KG”中选择合适的选项,将序号填入横线处)的重物;
③如果置物架各部位无(在“A .损坏:B .倾斜”中选择合理的选项,将序号填入横线处)等现象,则产品合格。
-
20、如图是一款能够监控机房内温度、湿度的仪器。当其温度或湿度超过设定上限或低于设定下限时,会自动发出报警声。以下分析正确的是( )
A、机房外的声音会对该系统产生干扰 B、报警器是该控制系统的执行器 C、温度、湿度上下限是人为设定的,所以该报警系统为人工控制 D、温度、湿度是输入量,报警声是输出量